
柱上高压无功自动补偿装置主要用来并接于6kV、10kV工频交流电力系统,根据网路电压及无功功率的运行参数实时自动完成电容器的投切,以提高功率因素、减少线路损耗,提高供电电压质量。 ZGWB型用于10kV线路,主...

浅析电机软启动柜应用的必要性,随着我国经济的发展,电机的应用越来越多,电机的起动方法也越来越受到人们的重视。一般而言,电机使用功率在超过30KW时就应该用电机软启动柜了,否则将严重影响电网其他设备的使用运...

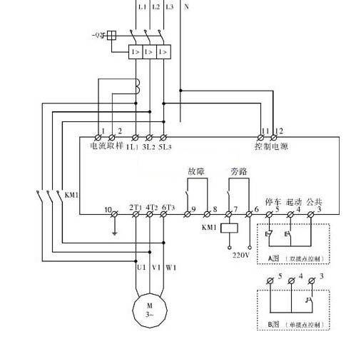
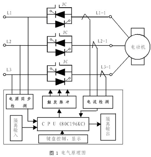
软启动器是一种可以使交流电动机在启动时降低启动电流的装置,当电动机完成启动过程后,装置可以根据设定的时间启动旁路接触器将软启动装置从电机主回路切除,由旁路接触器和电机的主接触器接通电机动力回路,因此一...

电网中的电力负荷如电动机、变压器等,大部分属于感性负荷,在运行过程中需向这些设备提供相应的无功功率。在电网中安装并联电容器等无功补偿设备以后,可以提供感性电抗所消耗的无功功率,减少了电网电源向感性负荷...

液阻柜接线图_液阻柜一次回路图,液阻柜也称水阻柜、水电阻启动柜、液态电阻软起动柜等,近年来使用比较广泛的液体电阻软启动柜,充分利用了水电阻热容量大,可调性好的特点,可将电机的起动电流控制在2.5-3倍电机额...

引言:中频电源是一种静止变频装置,它将三相工频电源变换成单相中频交流电。中频电源对各种负载适应能力强、应用范围广,主要用于金属的透热、熔炼、焊接、淬火、回火、热处理等。近年来,随着电力电子技术的高速发...

一、电机软启动器工作原理 电机软启动器工作原理:在三相电源与电机间串入三相反并联晶闸管(可控硅整流器),利用晶闸管移相控制原理,启动时电机端电压随晶闸管的导通角从零逐渐上升,电机转速逐渐增大,直至达到...

一、高压电机水阻柜与进相器之间的接线图及一次回路原理图: 二、水阻柜原理介绍 水阻柜是电气行业的通俗叫法,也称之为水电阻,液阻柜,液体电阻启动柜,水电阻启动柜。本文所述的水...