
目前市场上的高低压开关柜的柜体都使用什么材料,高低压开关柜生产厂家襄阳正涵电气来为大家普及一下: 1、冷轧钢板 冷轧是以热轧板卷为原料,在正常温度下进行各种材料轧制,冷轧钢板...

在电网系统中常见的无功补偿方式包括: 1.集中补偿:在高低压配电线路中安装并联电容器组; 2.单台电动机就地补偿:在单台电动机处安装并联电容器等; 3.分组补偿:在配电变压器低压侧和用户车间配电屏安装并联补...

一、ZHP静止式进相器和ZVP变负载进相器的不同之处 进相器分类就两种,一种是静止式进相器,另一种是变负载进相器,ZHP静止式进相器与ZVP变负载进相器都是无功补偿柜的一种,都用于高低压绕线式电机,...

在传统设计中,鼠笼式电机启动往往采用直接启动、串电抗器启动或用自耦变压器启动,而进口软启动装置和变阻软启动装置因投资昂贵而较少使用。但是采用直接启动、串电抗器启动和用自耦变压器启动时,会导致大启动电流...

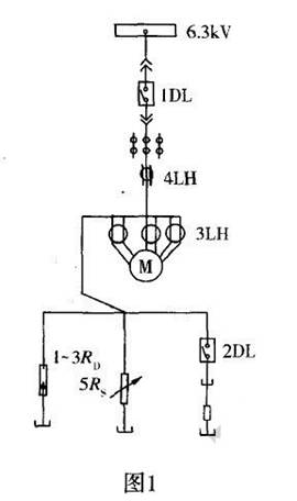
摘要:水电阻即液体电阻具有过载能力强、可以无级调节等优点,被广泛应用于电动机的起动和调速。而由于它制作简单、不容易受到功率的限制,在大型电机(功率在200KW~20000KW)的起动控制方面更显出它的优势。 在电路...

我国60到80年代的国产及进口的老式龙门刨床、单臂刨床数量相当巨大,以济南二机、武重以及进口捷克HD系列为主,在各机械加工行业中占有很大比例且有着重要的地位,广泛应用于加工大型工件的各种平面、斜面和槽,特别...

1、引言 高压大功率交流电动机软启动装置是湖北正涵电气有限公司应用先进的电力电子技术、电力拖动技术及数字微处理器技术成果,并采用具有专利技术的高压可控硅串联技术、模块化的光纤传送技术以及...

龙门刨床常用来加工大型工件的各种平面、斜面和槽,特别适宜于加工大型的、狭长的机械零件如机床的床身、导轨等,但对于中小型件、非连续面、端面如箱体等等,其加工效率就显得较低。目前我国六十到八十年代生产的各...