
无功功率补偿控制器,简称无功补偿控制器,主要用于集中无功补偿装置,控制电容器的投切,如果按控制电容器的电压等级来分,可以分为高压无功补偿控制器和低压无功补偿控制器,高压无功补偿控制器一般用于控制6KV或...

我们通常所说的进相器是指无环流静止式进相器,由于与原来的旋转式进相器相比,它有显著的优势,所以现在已取代原来的旋转式进相器,主要应用在水泥行业球磨机这样负载变化不大的设备上,球磨机属于重负载设备,大多...

一、水电阻的基本原理 靠溶解在水中的电解质(NaHCO3)离子导电,电解质充满于两个平面极板之间,构成一个电容状的导电体,自身无感性元件,故与频敏、电抗器等起动设备相比,有提高电动机的功率因数...

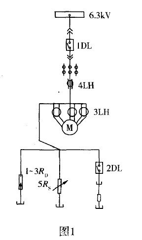
水阻柜的工作原理是通过在电机转子回路串入液体电阻,自动无级调整电阻阻值始终满足电机机械特性对串入电阻值的要求,从而使电动机在获得最大起动转矩及最小起动电流的情况下无冲击的均匀升速,起动时间可调整,大约...

对于大功率电机,尤其是高压电机经常用到水阻柜来起动,水阻柜以他特有的优点占据了高压电机软启动行业70%以上份额,作为水阻柜生产厂家,我们对水阻柜再熟悉不过了,下面我们就来看看水阻柜有哪些特点值得大...

在传统设计中,鼠笼式电机启动往往采用直接启动、串电抗器启动或用自耦变压器启动,而进口软启动装置和变阻软启动装置因投资昂贵而较少使用。但是采用直接启动、串电抗器启动和用自耦变压器启动时,会导致大启动电流...

水电阻的导电原理 水电阻是电解液形成的电阻,它导电的本质是离子导电。其阻值正比于二块电极板的距离,反比于电解液的电导率,极板距离和电导率都便于控制。 一.水电阻的配置方法 1、配液用水:蒸馏水。 2、电...

在风机、水泵负载上由于节能需要,经常用到变频器调速,随着负载的负荷增大,也经常用到高压电机,这就需要用高压变频器,高压变频器旁路柜应该怎么做呢?下面就提供两种高压变频旁路经常用到的方案图。 一...