
启动器是帮助系统或设备启动的辅助工具,像手机启动器、软启动器等 启动器的分类 启动器的分类主要有手机桌面启动器和电机软启动器。手机桌面启动器主要有Holo启动器和ss启动器;软启动器分高压软启...

水阻柜适用于建材、冶金、化工、矿山等工业部门的球磨机、空压机、破碎机、大型风机、大型水泵的电软起动,是频敏起动器和金属电阻起动器的理想替代产品。其结构简单,可靠性强,而且经济实用,维护性强。水阻柜的作...

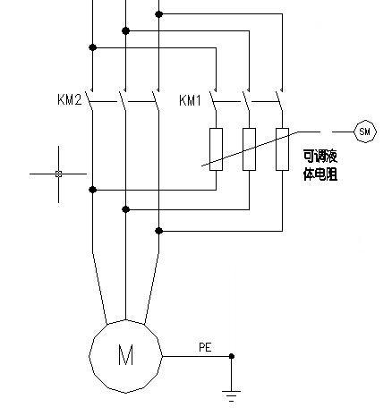
由于电动机直接起动时,起动电流会达到电机额定电流的7~8倍,一般上一级变压器的容量都承受不了,特别是大功率的电机,必须加装起动设备,否则会造成变压器局部下跳闸。水电阻是指利用电解液的阻值特性,通过调节极...

水泵变频器即水泵变频控制器,在一般情况下,水泵采用恒速交流电动机拖动,而用水量却是变化的,为了保证水池的正常供水,工人要在现场经常调节挡板或阀门开度大小来控制水泵的抽水量,或者将水池中用不完的水白白流...

本文介绍了早期的由发电机组拖动的龙门刨床或单臂刨床现存的问题,并简述了针对该种类型的刨床改造方式:采用全数字直流调速装置组合先进的PLC控制方式,着重强调了改造后的节能降耗所带来的经济效益以及改造后的其...

国产可控硅(晶闸管)的型号命名(JB1144-75部颁发标准)主要由四部分组成, 各部分的含义见下表。 第一部分用字母“K”表示主称为晶闸管。 第二部分用字母表示晶闸管的类别...

电动机无功功率就地补偿技术是国家推广的一项节电项目。大力推广这一新技术,对节能具有十分重要的意义。在煤矿井下,由于低压供电负荷距离变压器较远,采用电动机无功功率就地补偿技术除了节约电能外,还可降低线路压降...

龙门刨床常用来加工大型工件的各种平面、斜面和槽,特别适宜于加工大型的、狭长的机械零件如机床的床身、导轨等,但对于中小型件、非连续面、端面如箱体等等,其加工效率就显得较低。目前我国六十到八十年代生产的各...