地址:湖北省襄阳市江山南路6号
    Tel:13508660044
    E-mail:xfzhelec@163.com
水阻柜工作原理_水阻柜启动原理图
发布者:正涵电气 发布时间:2024-03-21 16:43:39 点击次数: 关闭
水阻柜适用于建材、冶金、化工、矿山等工业部门的球磨机、空压机、破碎机、大型风机、大型水泵的电软起动,是频敏起动器和金属电阻起动器的理想替代产品。其结构简单,可靠性强,而且经济实用,维护性强。水阻柜的作用是使电机起动过程平滑软起动.

水阻柜启动原理图

 



图1

 

鼠笼式电机水阻柜工作原理
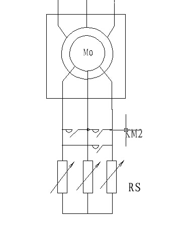
    水阻柜是在电机定子回路中串可变液体电阻的一种降压起动方式,即随着主电动机的起动,装置自动改变液体电阻动、定极之间的间距,使电阻线性均匀减小,电动机端电压均匀提高的一种起动方式;水阻柜内部主要包括3个独立的水箱,三相电分别通入每一个水箱,水箱底部有一固定的铜极板,水箱上部有一可上下移动的铜极板,分别引出进出一次线。以极板升降改变阻值,其柜内部主要包括:水箱(三相分开),一套极板,极板升降电机和传动丝杆、轴承及短接接触器、PLC等。水箱体积主要根据电机大小,计算需要的散热液体体积,因此柜体体积有大有小。如图1,SM时三个水箱做成的水电阻,起动时KM1吸合,起动完毕后KM2短接,KM1脱开,起动过程结束。


绕线式电机水阻柜工作原理
    这类水阻柜主要适用于绕线式电机,大家知道绕线式电机起动电流小,起动转矩大,主要用于拖动重负荷,比如球磨机、破碎机、重型机床等。这类软启动器近年来主要是水阻软启动器。


图2


    这种水阻水阻柜与上面提到的水阻水阻柜工作原理一样,只是它串入在电机的转子回路,而不是定子。水阻柜内部有些不一样,由于转子回路需要一直短接,刚开始起动时是在水阻柜内的水电阻后端短接成星形,起动完毕后是靠接触器在水电阻前端短接成星形。如图2.RS是水电阻,起动完毕后KM2来短接转子。

    对于绕线式异步电动机来说,当电网电压及频率不变时,在转子回路中串入随电动机转速增加而相应减小的起动电阻后,一方面可以减小起动电流,另一方面又可以始终获得较大的起动转矩。水阻柜就是利用这一原理来起动的,以特种介质的水溶液作为电阻,在特殊设计的液阻箱中引入极板作电极将电阻星型连接后串入电机转子回路中,起动器接到电机起动信号时,由一小功率伺服电机带动极板移动来改变极板的相对位置,使(串入转子回路的)液体电阻由大到小作无极变化,当电阻变化到最小时,短接接触器闭合,使电机转子星点直接短接,从而使电机低电流大转矩平滑起动。