地址:湖北省襄阳市江山南路6号
    Tel:13508660044
    E-mail:xfzhelec@163.com
启动器的分类及作用
发布者:正涵电气 发布时间:2024-03-21 16:01:47 点击次数: 关闭
 启动器的分类主要有手机桌面启动器和电机软启动器。手机桌面启动器主要有Holo启动器和ss启动器;软启动器分高压软启动器和低压软启动器,如abb软启动器、西门子软启动器等。


   

    Holo启动器是一款高仿ICS/Jelly Bean原生风格的启动器,简洁、强大、快速以及高度可定制是它最大的特点。Holo启动器英文名叫Holo Launcher,Holo Launcher支持Android 2.2及以上系统,让您不用将系统升级到ICS也能用上Holo/ICS风格的启动器!
    SS启动器的桌面界面风格非常特别,不像大多数桌面启动器那样以图标的形式显示桌面应用快捷方式,屏幕下方也没有标志性的托盘。整个主页中所有的功能都以文字代替,如phone、messaging、camera和browser等等,字体和风格各异,看上去与杂志封面的效果很像。SS桌面每个主屏的风格都不同,首页是杂志封面风格,而后面还有常用软件页、联系人页等,界面风格也都很有特色,完全没有Android原生界面的痕迹。
    软启动器是用于交流电动机的起动,直流电机不需要,因为用到直流电机的设备都需要调速,在以后的文章中我们再讨论直流电机驱动。交流电动机常用的有交流同步电动机、交流异步电动机、绕线式交流异步电动机等,这几种功率大一点的电机都需要用到软启动器。




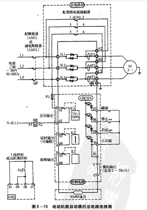
    软启动器是通过控制可控硅的导通角来控制输出电压,软启动器是一种集电机软起动、软停车电机控制装置,国外称为Soft Starter。软启动器采用三相反并联晶闸管作为调压器,将其接入电源和电动机定子之间。这种电路如三相全控桥式整流电路。使用软启动器启动电动机时,晶闸管的输出电压逐渐增加,电动机逐渐加速,直到晶闸管全导通,电动机工作在额定电压的机械特性上,实现平滑启动,降低启动电流,避免启动过流跳闸。待电机达到额定转数时,启动过程结束,软启动器自动用旁路接触器取代已完成任务的晶闸管,为电动机正常运转提供额定电压,以降低晶闸管的热损耗,延长软启动器的使用寿命,提高其工作效率,又使电网避免了谐波污染。软启动器同时还提供软停车功能,软停车与软启动过程相反,电压逐渐降低,转数逐渐下降到零,避免自由停车引起的转矩冲击。
    软启动器从本质上是一种能够自动控制的降压启动器,由于能够任意调节输出电压,作电流闭环控制,因而比传统的降压启动方式如串电阻启动,自耦变压器启动等有更多优点。例如满载启动风机水泵等变转矩负载、实现电机软停止、应用于水泵能完全消除水锤效应等。
    软启动器的分类也很多,按电机额定电压可以分为低压软启动器和高压软启动器,接分压器件又分为固态软启动器和液阻软启动器等。软启动器的分类固然多,但选型起来还要看电机型号和成本预算,像绕线式异步电动机,不管是高压还是低压,主要选用液阻软启动器,因为用到绕线式异步电动机的设备都是重载起动,像球磨机、破碎机等,液阻软启动器接到绕线电机的转子上,起到分压限流的作用。如果不小心选了固态软启动器,那电机就要经常烧坏,因为在调试时要保证电机顺利起动,又不能烧坏软启动器,软启动器的电流设置往往不能太小,时间也不能太短,因此电机温升很快容易烧坏,绕线电机在国内90%以上的都是选用液阻软启动器,起动效果好而且价格低。对于鼠笼式异步电机和同步电机选用液阻软启动器还是固态软启器都是可以的,这两种软启动器的作用都是一样,主要就是分压限流,但到底选哪一种主要看价格预算,由于构造及内部元件不同,价格差别也大,对于高压电机,固态软启动器的价格比液阻软启动器高3-10倍左右。