西门子3AH3真空断路器技术参数:
品牌:西门子真空断路器
型号:3AH3
极数:3
额定绝缘电压:2000
功能:3AH3用于切合大容量负载免维护型断路器。
3AH3— 免维护断路器,用于高断路能力,电压范围在 7.2 kv 和 36 kv 之间。它具有 10000次操作周期的使用寿命。
原理:该断路器开断容量大,并能够进行切合操作10000次且免维护,是适用于发电机和工业场合的理想断路器。3AH3标准型真空断路器可以用在短路电流高达72KA,额定电压高达40.5KV的发电机和工业系统中;满足IEC标准中的试验规范。
断路器的真空灭弧室采用一次封排技术制造,触头材料为Cr-Cu合金,经电弧冶炼而成。触头采用先进的设计形状和结构,具有极高的耐电弧能力和很小的弧压降。因此,在保证开断额定短路电流的前提下,灭弧室的体积可以具有较小的尺寸。西门子的这种新型真空灭弧室,还具有截流值小的特点。因此,断路器在开断变压器等一类感性负载时,不会出现危害的操作过电压,真空灭弧室与弹簧操动的优良机械特性配合,还使3AH真空断路器能够多次成功地合、分电容器组,而不会出现重燃过电压。断路器的操动机构采用弹簧储能,可以手动储能,也可以电动储能。在该机构中各个零部件都是经过精密加工,装配而成。而且,关键部件和材料用特殊的工艺制造。这样,确保了整个操动机构具有很小的摩擦力,各零件之间配合精确,动作可靠。
真空断路器作用:
(1)正常工作状态时的分合闸操作(控制用);
(2)故障状态时的保护操作(保护用);
断路器-互感器-继电保护;
负荷开关-熔断器保护;
(3)设备的隔离;
3AH断路器适用于:
快速负荷转移、同步;
自动重新合闸电流达到 31.5 KA;
以恢复电压非常高的上升初始速度断开短路电流;
电机和发电机的开关;
变压器和电抗器的开关;
高架线路和电缆的开关;
电容器的开关;
电弧炉的开关;
滤波电路的开关。
真空断路器灭弧室基本结构和原理
真空断路器的灭弧室每一只为不可拆卸的整体,动、静能为分别焊在动、静导电杆上。静导电杆焊在法兰盘上,动导电杆上焊一波纹管,在导向套内运行。波纹管及导向套焊在下法兰盘上,由瓷柱支撑的金属圆筒屏蔽在动静触头外面,再与玻璃外壳形成密封的腔体,该腔体经过抽真空,真空度一般在10-6pa以上。当合、分闸操作时,动导电杆上下运动,波纹管被压缩或拉伸,使真空灭弧室的真空度得到保持。
在真空中由于气体分子的平均自由行程很大,气体不容易产生游离,真空的绝缘强度比大气的绝缘强度要高得多。当开关分闸时,触头间产生电弧,触头表面在高温下挥发出金属蒸汽,由于触头设计为特殊形状,在电流通过产生磁场,电弧在此磁场力的作用下,沿触头表面切线方向快速运动,在金属圆筒(即屏蔽罩)上凝结了部分金属蒸汽,电弧在自然过零时就熄灭了,触头间的介质强度又迅速恢复起来。
在此讨论一断路器故障及下主要的真空其处理方法。
1真空泡真空度降低
1.1故障现象
真空断路器在真空泡内开断电流并进行灭弧,而真空断路器本身没有定性、定量监测真空度特性的装置,所以真空度降低故障为隐性故障,其危险程度远远大于显性故障。
1.2原因分析
真空度降低的主要原因有以下几点:
(1)真空泡的材质或制作工艺存在问题,真空泡本身存在微小漏点;
(2)真空泡内波形管的材质或制作工艺存在问题,多次操作后出现漏点;
(3)真空断路器如使用电磁式操作机构的真空断路器,在操作时,由于操作连杆的距离比较大,直接影响开关的同期、弹跳、超行程等特性,使真空度降低的速度加快。
1.3故障危害
真空度降低将严重影响真空断路器开断过电流的能力,并导致断路器的使用寿命急剧下降,严重时会引起开关爆炸。
1.4处理方法
(1)在进行断路器定期停电检修时,须使用真空测试仪对真空泡进行真空度的定性测试,确保真空泡具有一定的真空度;
(2)当真空度降低时,必须更换真空泡,或更换真空断路器,并做好行程、同期、弹跳等特性试验。
2真空断路器分闸失灵
2.1故障现象
根据故障原因的不同,存在如下故障现象:
(1)断路器远方遥控分闸分不下来;
(2)就地手动分闸分不下来;
(3)事故时继电保护动作,但断路器分不下来。
2.2原因分析
(1)分闸操作回路断线;
(2)分闸线圈断线;
(3)操作电源电压降低;
(4)分闸线圈电阻增加,分闸力降低;
(5)分闸机构变形,分闸时存在卡涩现象,分闸力降低;
(6)分闸机构变形严重,分闸时卡死。
2.3故障危害
如果分闸失灵发生在事故时,将会导致事故越级,扩大事故范围。
2.4处理方法
(1)检查分闸回路是否断线;
(2)检查分闸线圈是否断线;
(3)测量分闸线圈电阻值是否合格;
(4)检查分闸机构是否变形;
(5)检查操作电压是否正常;
2.5预防措施
运行人员若发现分合闸指示灯不亮,应及时通知电气检修人员检查分合闸回路是否断线;检修人员在停电检修时应注意测量分闸线圈的电阻;必须进行低电压分合闸试验,以保证断路器性能可靠。
3 弹簧操作机构合闸储能回路故障
3.1故障现象
(1)合闸后无法实现分闸操作;
(2)储能电机运转不停止,甚至导致电机线圈过热损坏。
3.2原因分析
(1)行程开关安装位置偏下,致使合闸弹簧尚未储能完毕,行程开关触点已经转换完毕,切断了电机电源,弹簧所储能量不够分闸操作;
(2)行程开关安装位置偏上,致使合闸弹簧储能完毕后,行程开关触点还没有得到转换,储能电机仍处于工作状态;
(3)行程开关损坏,储能电机不能停止运转。
3.3故障危害
在合闸储能不到位的情况下,若线路发生事故,而断路器拒分闸,将会导致事故越级,扩大事故范围;如储能电机损坏,则真空开关无法实现分合闸。
3.4处理方法
(1)调整行程开关位置,实现电机准确断电;
(2)如行程开关损坏,应及时更换。
3.5预防措施
运行人员在倒闸操作时,应注意观察合闸储能指示灯,以判断合闸储能情况;检修人员在检修工作结束后,应就地进行2次分合闸操作,以确定断路器处于良好状态。
4分合闸不同期、弹跳数值大
4.1故障现象
此故障为隐性故障,必须通过特性测试仪的测量才能得出有关数据。
4.2原因分析
(1)断路器本体机械性能较差,多次操作后,由于机械原因导致不同期、弹跳数值偏大;
(2)分体式断路器由于操作杆距离较大,分闸力传到触头时,各相之间存在偏差,导致不同期、弹跳数值偏大。
4.3故障危害
如果不同期或弹跳大,都会严重影响真空断路器开断过电流的能力,影响断路器的寿命,严重时能引起断路器爆炸。由于此故障为隐性故障,所以危险程度更大。
4.4处理方法
(1)在保证行程、超行程的前提下,通过调整三相绝缘拉杆的长度使同期、弹跳测试数据在合格范围内;
(2)如果通过调整无法实现,则必须更换数据不合格相的真空泡,并重新调整到数据合格。
4.5预防措施
由于分体式真空断路器存在诸多故障隐患,在更换断路器时应使用一体式真空断路器;定期检修工作时须使用特性测试仪进行有关特性测试,及时发现问题解决问题。
结束语
真空断路器已经得到广泛的使用,而各厂家的真空断路器在机构上也不尽相同,而且,真空断路器的故障,如真空度降低、分合闸不同期、弹跳大等多为隐性故障,所以,进行检修工作时需使用有关的科学仪器进行测试、测量,用实际数据来说明问题,也用实际数据来证明和解决问题,这样才能使人信服并且切实把真空断路器维护好。
真空断路器灭弧室检测的重要性
随着近几年我国配电系统“无油化”改造的顺利实施,真空断路器的应用越来越广泛。真空断路器的核心部分是灭弧室,是以真空条件作为其工作基础的。因此,其真空度将直接影响到电力系统的运行安全性。
真空开关较之油开关而言,它具有开断容量大,灭弧性能好,机械寿命长,运行维护量小,检修量小,检修周期长等特点,虽然真空开关缺陷率和故障率较低,但较突出的问题是真空泡的真空度检测问题,它不象油开关,SF6开关那样容易检查其介质量。有些真空开关在运行过程中其真空灭弧室含有不同程度的泄露,有的在寿命范围内就可能泄露到无法正常开断的地步。系统中有报道称,因真空泡真空度达不到要求,而引起开关爆炸,造成三相短路,酿成重大事故等。因此,对真空泡真空度的检测必须引起高度重视。
真空断路器灭弧室基本测试方法
1、传统方法:工频耐压法,即真空开关处于切断状态下,在动静触头之间施加一定的电压,检测泄露电流的大小或观察灭弧室内的放电现象,由此推断真空度的好坏。这种方法的优点是方法简单,其缺点是,只能定性检测真空度的好坏,而且由于施加的电压不高,真空度在10-5—10-3pa之间无法分辨,即耐压法的实验结果基本是一样的,所以无法合理地判断发展性泄露(即同一个真空开关和上次相比有多大程度的泄露)。这种方法只能粗略地判断其真空度严重劣化的灭弧室,属定质检测。
2、近年研发成果:励磁放电、电离电荷采样原理,属定性定量检测。
对五防联锁功能的要求
五防联锁对防止误操作,减少人为事故,提高运行可靠性起到很大的作用。五防功能,指的是可以防止五种类型的电气误操作,这五种防误操作功能是:
a)防止误分、误合断路器。
b)防止带负荷合上或分断隔离开关(或隔离插头)。
c)防止带电操合接地开关或挂接地线--此功能涉及系统人为短路接地或人身生命安全,故定为强制性联锁。它要求:①当断路器或上下隔离开关处于合闹时,接地开关绝不能被操合;②只有当接地开关合闸之后,柜体的后门和下前门才能被打开,才可能挂夹临时性接地线。这通常采用机械联锁方式,使得a.隔离开关处于打开位置接地开关才能操台;b.随之前、后门才能开启挂接临时接地线。作为辅助措施,可在前、后门上加设高压带电显示装置作警示。
d)防止带有临时接地线或接地开关合闹时送电--此项也是强制性的,目的是保证系统和人身的安全。
e)防止误入带电间隔--亦是强制性的,以保人身安全。
归纳起来,实施五防功能方面,有非强制性的(a项)和强制性的(b、c、d、e项);有主动性防御和被动性防御。被动防御指采用高压带电显示装置,只是提示性的,不够可靠。主动防御大致可分三类:①采用机械联锁装置,用机械零部件来传动并产生约束,可靠性最高(除非零件损坏、断裂);②采用翻牌(插头)和机械程序销,可靠性稍逊,因锁与匙之间并非绝对-一对应;③采用电气联锁,可靠性又差一些,因为电磁锁和导线都有损坏的可能,而且也需电源供电(须与继保回路电源分开),但优点是可以长距离传送。
母线接触面处理
开关柜中有许多导电联接面,有电器元件出线端对母排的联接,也有母排对母排的联接。有电流时导电联接面会发热,发热量多少与电流密度有关,还与接触面的物理状态密切有关。
从微观角度来看,即使经过精细加工的接触面也是凸凹不平的,导电作用是通过若干个尖端碰触而实现的,非尖端部分则留有空气隙。潮湿空气中的水分,以及大气中的尘埃会渗入空气隙中,在发热和水分作用下接触表面会氧化和污秽,接触状态变差,接触电阻上升,发热量也就随之增加。所以电气联接面须有保护措施,最简易的办法是涂抹中性凡士林或导电膏,它们占据接头间的间隙,不让空气。水分和尘埃进入,减轻氧化程度。较好的办法是接触面镀锡。锡层质地软,在螺栓压力下产生延展,增加实际的电接触面积,而且锡不易被氧化。另外,在锡层保护下,接头的允许发热温度由90℃提高到105℃,颇有好处。
空产品真的基础知识和基本术语
在性质上和外观上是各种各样的。在正常状态下,气体有良好的电气绝缘性能。但当在气体间隙的两端加上足够大的电场时,就可以引起电流通过气体。这种现象称为放电。放电现象与气体的种类和压力、电极的材料和几何形状、两极间的距离以及加在间隙两端的电压等因素有关。例如在正常状态下,给气体间隙两端的电极加压到一定程度时,普通空气中电子在电场作用下高速运动,与气体分子碰撞后产生较多的电子和离子,新生的电子和离子又同中性原子碰撞,产生更多的电子和离子,这时,气体开始发光,两电极变为炽热,电流迅速增大。这种性质上的转变称为气体间隙的击穿,其所需的电压称为击穿电压。这时,由于电场的支持,放电并不停止,故称为自持放电。电弧则是气体自持放电的一种形式。电弧具有电流密度大和阴极电位降低的特点。
2、真空和真空度
低于1个大气压的气体状态,都称为真空。描述真空程度的量叫真空度,用该气体的压力大小来表示。
l大气压=760×133.332Pa=1.013×105Pa(帕斯卡)或0.1013MPa
真空技术中将广阔的真空度范围划分为粗、低、高、超高、极高等区域。其中高真空区域的气体压力为10-1~10-6Pa,这一区域的后半段,即1.33×10-3~1.33×10-6就是真空灭弧室通常采用的真空度范围。
在高真空区域中,单位体积内的气体分子数目大大减少了,气体分子之间碰撞的几率大大减少,气体分子之间的平均距离大大增加。
真空度的高低对灭孤能力有影响。实验表明:灭孤室真空度在10-3Pa数量级时就能够可靠地灭弧。真空灭弧定制造厂在产品出厂时,提高了灭孤室的真空度,达到10-5~10-6Pa,待经过20年的使用或贮存期,或多或少产生外部渗气等现象使其真空度下降到10-3Pa范围,仍能保证它的灭孤能力。
3、真空电弧
在真空环境中,气体非常稀薄,残存气体的电离可忽略不记。一对带电触头在这种高真空环境中的分离,便会产生真空电弧。真空电弧是这样产生的:当触头行将分离前,触头上原先施加的接触压力开始减弱,动静触头间的接触电阻开始增大,由于负荷电流的作用,发热量增加。在触头刚要分离瞬间,动静触头之间仅靠几个尖峰联系着,此时负荷电流将密集收缩到这几个尖峰桥上,接触电阻急剧增大,同时电流密度又剧增,导致发热温度迅速提高,致令触头表面金属产生蒸发,同时微小的触头距离下也会形成极高的电场强度,造成强烈的场致发射,间隙击穿,继而形成真空电弧。真空电弧一旦形成,就会出现电流密度在104A/cm2以上的阴极斑点,使阴极表面局部区域的金属不断熔化和蒸发,以维持真空电弧。在电弧熄灭后,电极之间与电极周围的金属蒸气密度不断下降直到零,仍然恢复高真空状态。
3.1真空中电弧的形式:
真空中的电弧有两种形式,扩散形电弧和收缩形电弧。
3.1.1扩散型真空电弧:
当真空电弧电流不大时,阴极斑点将不停地运动,通常是由电极中心向边缘运动。当阴极斑点到达边缘,等离子锥便弯曲,接着阴极斑点就突然熄灭,在电极中心又会继续不断地产生新的阴极斑点。如果电流保持不变,阴极表面存在的阴极斑点数基本上维持不变。当电弧电流增大或减小时,阴极斑点也随之增加或减少。这种存在许多阴极斑点的真空电弧,随着阴极斑点的运动不断地向四周扩散,所以叫扩散型真空电弧。
3.1.2收缩型真空电弧
若用铜作电极,当电弧电流增加超过10000A时,电弧的外形将突然发生变化,阴极斑点不再向四周作扩散运动,而是相互吸引,结果所有的阴极斑点都聚集成一个斑点团,阴极斑点团的直径可达1~2CM。此时阳极上出现了阳极斑点,阴极表面和阳极表面均有强烈的光柱,阴极光柱与阳极光柱自由地向电极的四周扩散成为数条连续的闪光,有时偶尔也与电极平行。真空电弧一旦聚集,阴极斑点与阳极斑点便不在移动或以很缓慢的速度运动,阳极和阴极表面被局部强烈加热,导致严重熔化,这种真空电弧叫做收缩型真空电弧。
任何一种真空电弧对真空灭弧室的灭弧及其电气寿命均有重大不良影响。
4、交流真空电弧
上面介绍的扩散型电弧、收缩型电弧等,都是在直流情况下讨论的。但在交流电路中,上述的概念仍然适用。交流电流方向虽在交变,但每一个瞬时,或在很小一段时间内,电流仍是单向的,仍是直流,只不过其瞬时值不断在改变罢了。当运用于交流时,请记住下列动态变化:
5、真空击穿
真空击穿是一个综合的复杂的物理过程,主要因素有:真空度,电极材料,电极距离,压力的影响,老练作用,开断电流的大小,操作条件的影响等。
真空间隙的电击穿有两方面因素:一是场发射,一是微粒撞击。对于小间隙场致发射作用较大,大间隙中微粒撞击可能性较多。
1).场致发射--经过机械磨光和洗净的电极两面,微观上仍然存在凹凸不平,存在许多微米级的尖峰突出物,尖峰处的局部电场可能增加上百倍,会发射电子流。如果电极表面有杂质或氧化物存在,电极表面的逸出功会降低,场致发射更易产生。尖峰发射的电子流虽不大,但因其面积小,电流密度却很大,会使局部发热,不仅电子发射增强,还可能产生蒸发、熔化,释放出金属蒸气,金属原子又与发射电子碰撞造成游离,出现击穿。
2).微粒撞击--电极表面总是存在一些金属微粒,微粒在电场作用下携带电荷离开电极,加速撞击对方电极,由动能转为热能,引起局部加热、汽化,释放大量金属蒸气,形成金属云,导致间隙击穿。
6、灭弧原理:
真空电弧是依靠电极不断地产生金属蒸汽来维持的,因此,要熄灭真空电弧的唯一方只有将电弧电流减小到一定程度,不足以维持电弧的时候才有可能将其熄灭。在交流情况下,真空电弧电流有一个过零的时刻,这就给出了熄弧的条件;在直流情况下,必须设置一个电力转向装置,使直流真空电弧有一个过零的机会,以创造一个同样的熄弧条件。
6.1灭弧方法和电极触头的选择
真空灭弧室切断交流真空电弧成功与否,与触头之间弧区过零前的金属蒸汽浓度密切有关,金属蒸汽来自电极触头的热斑点,热斑点和金属蒸汽都随着电弧电流瞬时值的增减而变化。电弧电流过零点前一小段时间里,触头间金属蒸汽降低的速度取决于斑点的冷却时间常数。对于扩散型电弧,它只有阴极斑点而无阳极斑点,各支弧均布于触头表面上且处于移动状态,所以热斑点熔区的面积小,深度浅,热惯性小,其冷却时间常数仅有数微秒,有足够的时间让阴极斑点冷却,使金属蒸汽浓度足够的低,同时金属蒸汽因温差、浓度差和压力差的作用迅速向孤区外扩散,电弧不能维持而熄灭。对于收缩型电弧,则这些熄弧条件比扩散型电弧差劣许多。
在开断10KA及以上的短路电流时,先后开发了横向磁场触头和纵向磁场触头。
6.1.1横向磁场灭弧原理
横向磁场触头的工作原理是利用触头本身在开断电流时产生的横向磁场驱使真空电弧不断在触头表面运动,以防止触头表面严重熔化。螺旋槽触头在分断很大电流时,具有相当高的介质恢复速度。采用螺旋槽型触头就有横向磁场灭弧的特性。
6.1.2纵向磁场熄弧原理
采用纵向磁场提高真空开关的分断能力与采用横向磁场的情况截然不同,纵向磁场的加入可以提高由扩散性电弧转变到收缩型电弧的转换电流值。实验表明,在足够的纵向磁场下,大电流真空电弧仍具有扩散性真空电弧的基本特征,电弧斑点在电极触头表面均匀分布,触头表面不会产生局部严重熔化,并具有电弧电压低,电弧能量小的优良特征,这对于弧后强度恢复,提高分断能力是十分有益的。目前,大容量的真空灭弧室多采用纵磁场触头,这是因为纵磁场触头具有电磨损小,使用寿命长和分断能力大等优点。
带斜槽的杯状触头兼有横向磁场和和纵向磁场的特性,可以较好地灭弧。同时为了保证杯状触头具有抗熔焊能力,在触头端部焊有一定抗熔焊能力的铜铬合金材料,也可装置不熔融或截流水平低的电极触头。以达到更好的灭弧效果。
7、真空灭弧室的寿命
真空灭弧室是一种电真空器件,其寿命包括四个方面,如有一项达到寿命终结,则该灭弧室即报废而需更换。
1)触头导电系统机械强度寿命。
2)波纹管疲劳寿命:波纹管的作用是维持内腔的真空度,在多次操作过程中材料疲劳破裂导致漏气是波纹管失效的主要原因。
3)内腔的真空度寿命:真空度寿命是指灭弧室自制成之日起,经运输、存放、安装、使用等时间,其内腔真空度逐渐低到最低允许真空度的时间间隔。
4)电寿命:衡量触头材料的耐腐蚀能力,即额定短路电流开断次数之能力,就称为电寿命,以开断次数表示。
8、真空灭弧室过电压保护
真空间隙具有较高的介质恢复速度,有良好的媳弧能力等特点同时也可能带来对电力系统绝缘造成危害的各种过电压。为抑制过电压的产生,避免造成危害,我们可以一方面从真空灭弧室使用材料选择和技术设计着手,另一方面通过加装限压保护装置来达到目的。具体办法有:
1)研究和制造低截流水平的触头材料。
2)研制低重燃率的真空开关管,如提高内腔洁净度,适当地进行电压老练和电流老练。
3)断路器合闸尽量做到无弹跳。如有弹跳,时间不应长于2ms。
4)在感性负载端上并联电容器,这样可以降低波阻抗从而降低截流过电压,不仅降低过电压峰值,还能减缓过电压的前沿陡度。
5)负载端上并联RC吸收回路,其中C的作用如上述的并联电容,R则用于高频振荡中的能量消耗。
安装无间隙氧化锌避雷器,用以限制过电压的幅值。
真空断路器的维护
对真空断路器应该每年进行一次停电检查维护,以保证正常运行。检查应做好如下方面的工作:
a)对管子进行断口工频耐压试验,测试真空度并记录在册。
b)对绝缘件进行工频耐压试验。
c)测试断路器的开距、接触行程和机械特性,并记录在册。
d)对各连接件的可调整处的连接螺栓、螺母等应检查是否有松动,特别是辅助开关拐臂处的连接小螺钉,真空管动导电杆连接的锁紧螺母等。
e)对各转动关节处应检查各种卡簧,销子等是否松脱;并对各转动、滑动部分加润滑油膏。
f)对使用在电流大于1 600 A以上的真空断路器,应对每极作直流电阻测试并记录在册。
g)如需更换管子应按产品说明书的要求进行,更换后应进行机械特性的测试和耐压试验。
h)年检后和投运前应连续空载操作8~10次,一切正常方可投运。
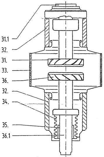
,真空灭弧室(30.)被固定在上支架(20.).电弧室(33.)安装在两个陶瓷绝缘子(32.)之间.静触片(31.)被直接连接在柜上.动触片(36.)被安装固定在导轨(35.)中的接线端子螺栓(36.1)上.金属波纹管形成到灭弧室的真空密封连接.
基本型号的真空断路器包括:
带有机械和电气反转的电气操作机械(储能电动机)
(M1)
合闸线圈
(Y9)
脱扣分路
(Y1)
64头带金属孔眼套筒的低压插塞式连接器
(X0)
辅助开关,6常开+6常闭
(S1)
"合闸线圈储能"信号的位置开关
(S41,S42)
断路器分闸信号,信号复位开关
(S6,S7)
操作次数计数器
防止误合闸的闭锁
每个3AH3真空断路器也可以装有下面一些设备:
接线板
(X0)
扩展的辅助开关,12常开+12常闭
(S1)
脱扣分路3AX1101
(Y2)
电流互感器操作脱扣3AX1102
(Y4,Y5)
电流互感器操作脱扣3AX1104(0.1WS)
(Y6)
低电压脱扣3AX1103
(Y7)
手动电气合闸
机械闭锁
除标准的脱扣分路外,3AH3真空断路器也可以最多安装两个3AX11型脱扣分路.
安装
在配电柜或手车上安装
3AH3真空断路器是敞开的,可以看到"合闸弹簧脱扣"指示.在安装3AH3真空断路器之前,先移走运输设备(制动器和定位器).根据提供的图纸,面向松开的相间隔板安装.
在将3AH3真空断路器安装进柜中或手车上之前,检查它的额定铭牌数据(避免混乱),比较指明的额定电压与可供的电源电压.
在带有低电压脱扣(Y7)3AX1103的真空断路器上,榔头的制动螺钉必须由位置A移到位置B(见真空断路器机械柜[60.]中的注意卡).
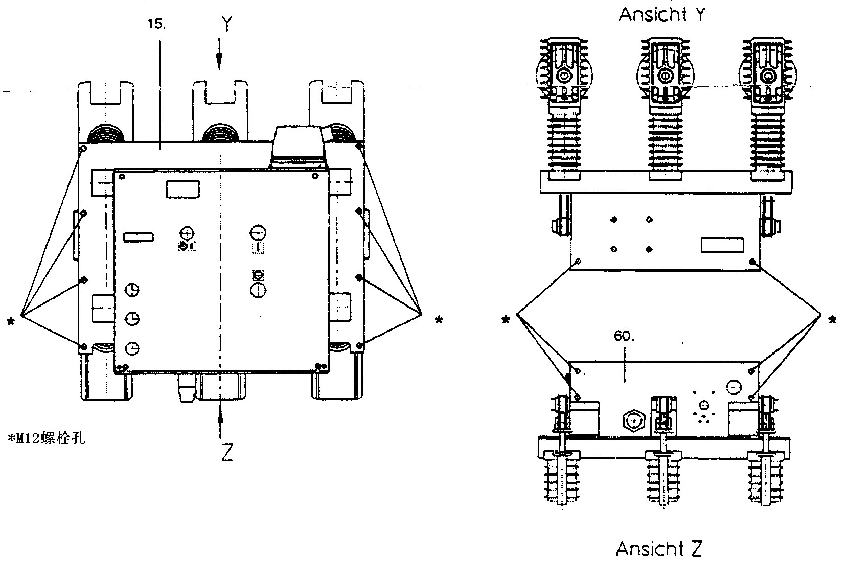
在柱状板(15.)和机械柜(60.)上共有14个安装孔适应各种各样的型号断路器的安装(图3/1).对于额定短路开断电流≥50KA的真空断路器的安装,我们推荐仅使用柱状板.
使用M12的固定螺栓-强度8级-严格参照尺寸图指示安装.
支架或框架必须满足操作条件,有足够的承载能力和稳定性.
扁钢接头
优先装配导体,固定它们以确保连接部分平滑接触和孔完全对准.
使用钢丝刷摩擦被螺栓固定在冲锤一起的接触面,直到露出明亮的金属光泽,用清洁抹布擦净.
注意!喷涂铜和喷涂镀银表面应用抹布清洁,不要打磨.
不同的接触金属(铝/铜)不能用相同的清洁工具.用无酸的凡士林(例如 壳牌凡士林8420)或等效防腐蚀剂给光滑的接触面涂上润滑膜,并立即栓接在一起1).
注意:
镀银部分一定不能与铝条栓接在一起.
使用专用M12螺母与8级强度螺栓以及相应弹簧零件和平垫圈.
注意!拧紧端子螺钉时,用适当的扳手或套筒扳手,紧固转矩(70Nm~7mkp).
控制引线
标准型真空断路器提供一个64头低压插塞式连接器X0(68.7.1).外部连接的相应插头压接额定截面积1.5mm2的控制引线.使用合适的压接工具(例如Harting牌压接钳 09 99 000 0110 带定位套筒的 09 99 000 0111)1).
具体参照所供电路图.
接地
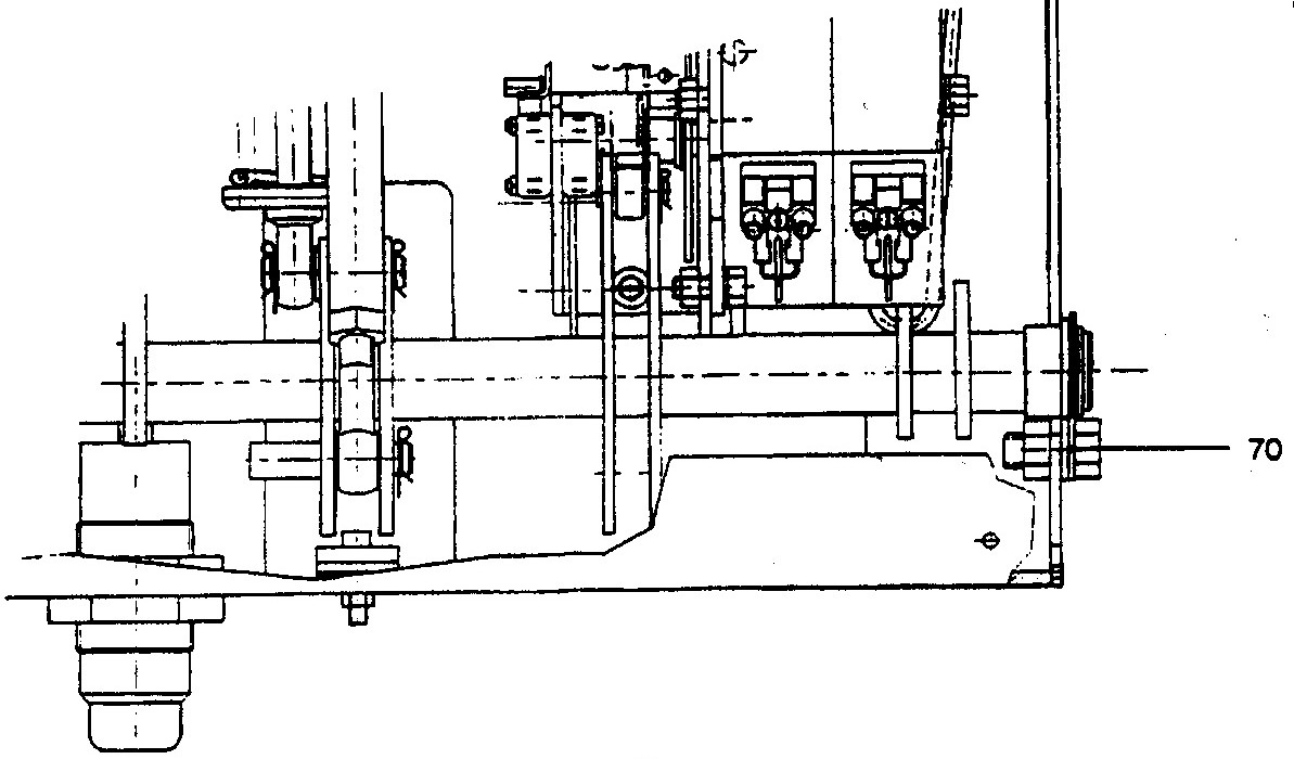
使用连接到机械柜(60.)边的带有适当标志的M12端子(70.)上的扁铜,铜缆或镀锌钢带,把真空断路器连接到专用的高压保护接地.
如果真空断路器的机械柜安装在一个接地的金属架上,有这样紧密的电气联系,机械柜就不必另外单独接地了.
螺栓头下必须放带锯齿的垫圈(DIN 6798).
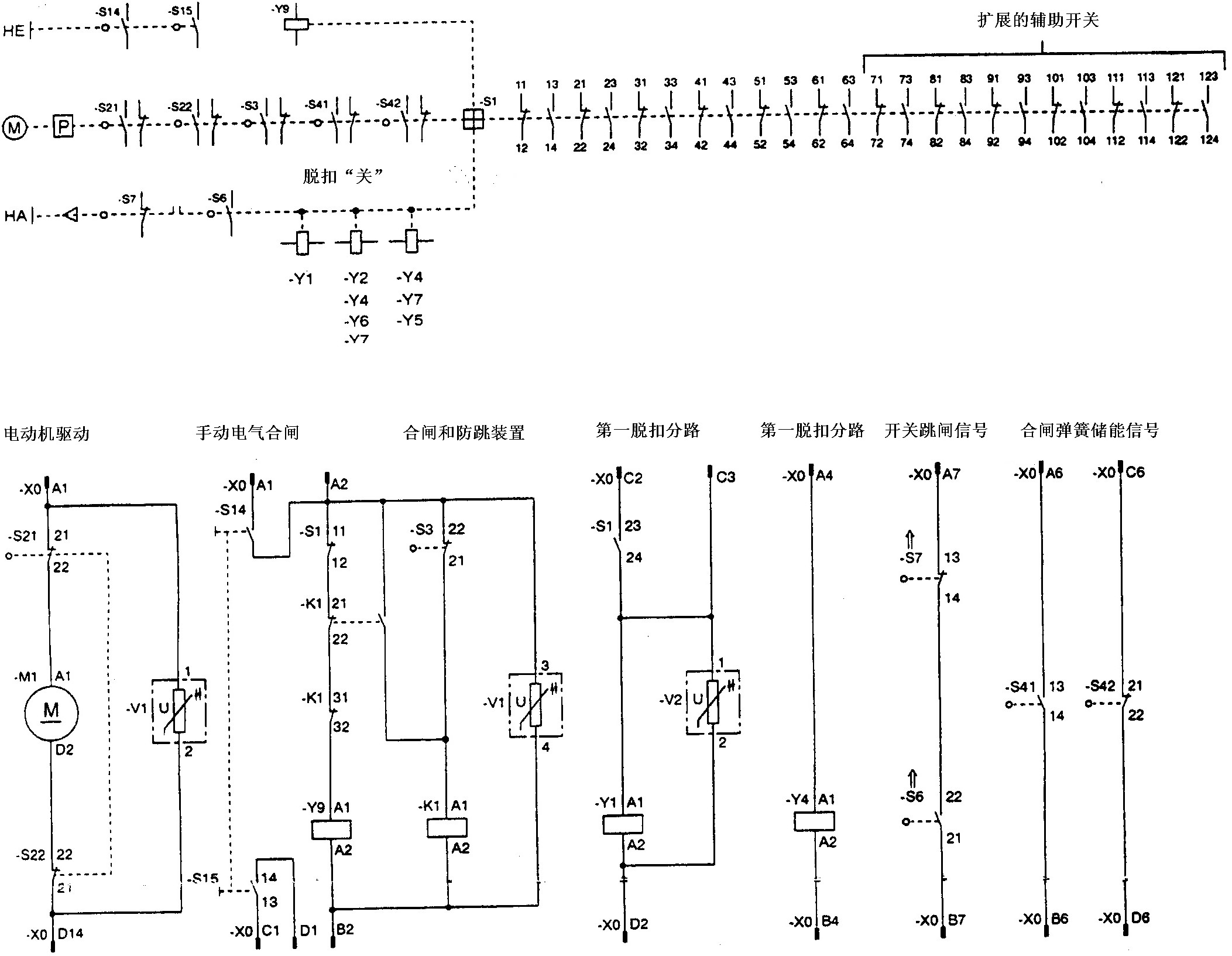
电路图
提供的电路图通过专用的模块和补充说明给出了断路器的配线和连接.
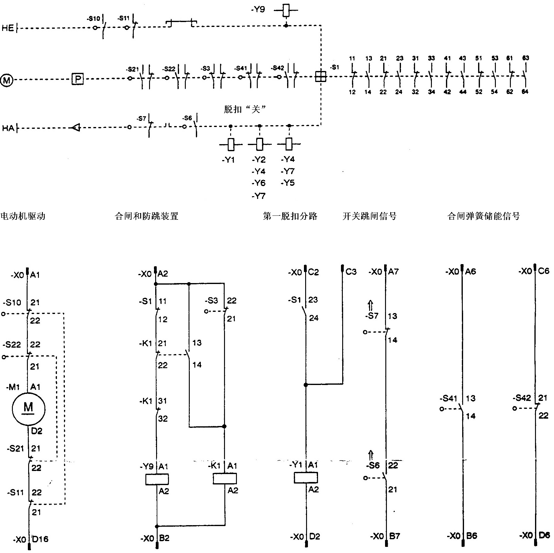
断路器的典型电路图功能原理图
手动合闸64路插头连接的3AH3真空断路器
HA
手动分闸
HE
手动合闸
K1
防跳开关
M1
电动机操作机械
P
储能
R1
电阻
S1
辅助开关
S21,S22
位置开关(在储能后关闭电动机)
S3
位置开关(当合闸弹簧储能时打开)
S41,S42
位置开关(储能状态信号)
S6,S7
位置开关(开关跳闸信号)
X0
低压插塞式连接器
Y1Y7
第一脱扣分路
Y2
第二脱扣分路
Y4,Y5,Y6
CT操作脱扣
低电压脱扣
Y9
合闸线圈
S10,S11
位置开关(机械防跳)
图3/4低电压脱扣Y7的典型连接电路
功能原理图
图3/5手动电气合闸64路插头连接的3AH3真空断路器
HA
手动分闸
HE
手动合闸
K1
防跳开关
M1
电动机操作机械
P
储能
R1
电阻
S1
辅助开关
S21,S22
位置开关(在储能后关闭电动机)
S3
位置开关(当合闸弹簧储能时打开)
S41,S42
位置开关(储能状态信号)
S6,S7
位置开关(开关跳闸信号)
X0
低压插塞式连接器
Y1
第一脱扣分路
Y2
第二脱扣分路
Y4,Y5,Y6
CT操作脱扣
Y7
低电压脱扣
Y9
合闸线圈
S10,S11
位置开关(机械防跳)
操作
危 险
高压!
触摸有电部件将导致死亡或严重的人身伤害.
只有合格人员才可操纵该设备.合格人员定义为非常熟悉此设备专门的说明手册和所有安全注意事项的人.
警 告
本设备有危险电压和高速运动的机械部件,可以被遥控控制.
不遵守安全规程将导致严重的人身伤害或财产损失.
特别:
不要移开罩子(60.1).不要接触开放的正在运行的机械设备内部.不要接触真空绝缘筒(19.)和操作杆(48.).
试运行.
在试运行之前,根据以下几点检查真空断路器:
1.正确的清洁.
2.检查所有的固定及端子螺钉是否拧紧.
3.检查真空断路器是否有外部损坏,特别是控制线,绝缘柱和真空灭弧室
注 意
为了避免电动机突然启动导致的伤害,真空断路器仅能用手动曲柄(50.)操作.
4. 用手动曲柄(50.)给合闸弹簧(62.)储能,按下"合"按钮(53.)后断路器合闸,按下"分"按钮(54.)后断路器分闸.
在带有低电压脱扣分路(Y7)3AX1103的3AH3真空断路器上,榔头的制动螺钉必须由位置A移到位置B(见3AH3真空断路器机械柜[60.]中的注意卡).
5.用合闸弹簧(62.)上的电动机机械开关测试操作.检查合闸弹簧储能状态的机械和电气指示情况.在第4.项情况下启动机械指示,检查机械和电气的断路器的状态指示情况.
6.通过启动真空断路器来检查辅助开关S1(68.)和电气位置开关(50.4.1)是否在终端位置.
7.还要检查电气启动合闸线圈Y9(53.1)和配备的所有脱扣分路的工作情况.
当真空断路器的功能检查正常,断路器可以投入运行.
合闸弹簧储能
电动机(50.4)上电后自动给合闸弹簧(62.)储能.电气储能出错时,还可以通过手动曲柄(50.)给合闸弹簧(62.)储能.在断路器后壳,带有前推适配器(50.6)的手动曲柄通过开口(50.1)套在手动曲柄的联轴(50.5)上顺时针方向转动,直到从指示器开口(55.1)所见到的"合闸弹簧泄放"符号变为"合闸弹簧储能"符号.
用手动曲柄给合闸弹簧储能
适配器(50.6)的设计使手动曲柄(50.)在电动机储能恢复时可以取下.
合闸
如果操作没有被机械闭锁联锁,按下"合"按钮(53.)或相应的控制开关后,3AH3真空断路器合闸同时给出指示和发信号显示断路器合闸.
合闸后(如正确),"合"按钮(53.)脱扣,合闸弹簧立刻自动地储能直到能看到"合闸弹簧储能"(55.)的指示为止.
分闸
在合闸期间分闸弹簧(64.)被储能.
按下"分"按钮(54.)或相应的控制开关使断路器分闸,真空断路器分闸同时给出指示和发信号显示断路器分闸.
维护
维护,修理和后续的改造工作只能由经过依照操作说明书和专用改造说明书专门培训了的人员来进行.
在开始真空断路器的任何操作之前,必须参照高压开关设备的检修规程, 关闭电源,通过手动合闸和分闸真空断路器(真空断路器处于分闸状态,可见"合闸弹簧泄放"指示).
不遵守安全规程将导致死亡,严重的人身伤害或大量的财产损失.
维修
在正常的操作情况下,3AH3真空断路器维修是免费的.尽管如此我们推荐定期查看.
清洁
为了保持绝缘能力,清洁绝缘部件是必要的.绝缘部件和断路器外部必须用湿抹布擦拭.只能使用添加了柔性家庭洗涤剂液体的温水作为清洁剂来清洗.
警 告
电源没有断开时,一定不要触摸电线和接线端子.
不遵守安全规程将导致死亡或严重的人身伤害.
注 意
所有的操作机械弹簧必须被释放,真空断路器应在分闸状态,可见"合闸弹簧泄放"指示.
不遵守安全规程导致人身伤害将.
异常的运行条件
如果3AH3真空断路器在一个非常不利的户内条件(例如频繁的雾化, 充斥灰尘的空气等等)下使用,我们推荐定期的清洁断路器外部元件,必要的话,更新防腐蚀保护.轴承,滑动面:
难于接近的轴承的润滑和辅助开关S1的轴承:
壳牌特勒斯油 32
在防腐蚀处理完前一定不要用清洁剂清洗接头和不可拆的轴承.
在更新防腐蚀保护后,真空断路器要做几种机械开关测试操作.
润滑油(特殊条件下)可从可靠的西门子经销商处得到.
订购号
180g Klbüer-Isoflex Topas L32 和50g壳牌特勒斯油 32
3AX11 33-3A
180g Klbüer-Isoflex Topas L32
3AX11 33-3H
50g壳牌特勒斯油 32
3AX11 33-2G
1kg壳牌特勒斯油 32
3AX11 33-2D
1kg Klbüer-Isoflex Topas L32
3AX11 33-3E
校核触点系统
由于触点的侵蚀,接触片和导向螺栓的压力,触点系统容易磨损,真空灭弧室(30.)上可移动的端子螺栓(36.1)作为校核标记(13.9)被提供来校核触点的磨损.在3AH3真空断路器合闸情况下,只要这个标记完全或部分可以看见就说明触点的缩短在容许的范围之内.
校核真空度
真空度的校核就是确定真空灭弧室是否有泄漏的危险.母线和连接电缆必须被分开.校核通过一组高压试验来完成.
使用期限
允许的最大机械操作数是10000次.允许的操作数与开断电流之间的函数关系为参考.
当达到允许的最大数时,必须更新真空灭弧室.
替换的真空灭弧室时,应根据断路器的型号,设计码和序列号(见铭牌)
真空断路器 3AH3 7.2KV¬¬-36KV(2)
真空灭弧室
图2/5给出了用于3AH3真空断路器中的真空灭弧室的基本结构。
根据型号,真空灭弧室(30.)被固定在上支架(20.)。电弧室(33.)安装在两个陶瓷绝缘子(32.)之间。静触片(31.)被直接连接在柜上。动触片(36.)被安装固定在导轨(35.)中的接线端子螺栓(36.1)上。金属波纹管形成到灭弧室的真空密封连接。

图2/5真空灭弧室
基本型号的真空断路器包括:
每个3AH3真空断路器也可以装有下面一些设备:
除标准的脱扣分路外,3AH3真空断路器也可以最多安装两个3AX11型脱扣分路。
安装
在配电柜或手车上安装
供应的3AH3真空断路器是敞开的,可以看到“和闸弹簧脱扣”指示。在安装3AH3真空断路器之前,先移走运输设备(制动器和定位器)。根据提供的图纸,面向松开的相间隔板安装。
在将3AH3真空断路器安装进柜中或手车上之前,检查它的额定铭牌数据(避免混乱),比较交货单指明的额定电压与本地可供的电源电压。
在带有低电压脱扣(Y7)3AX1103的真空断路器上,榔头的制动螺钉必须由位置A移到位置B(见真空断路器机械柜[60.]中的注意卡)。
在柱状板(15.)和机械柜(60.)上共有14个安装孔适应各种各样的型号断路器的安装(图3/1)。对于额定短路开断电流≥50KA的真空断路器的安装,我们推荐仅使用柱状板。
使用M12的固定螺栓-强度8级-严格参照尺寸图指示安装。
支架或框架必须满足操作条件,有足够的承载能力和稳定性。

扁钢接头
优先装配导体,固定它们以确保连接部分平滑接触和孔完全对准。
使用钢丝刷摩擦被螺栓固定在冲锤一起的接触面,直到露出明亮的金属光泽,用清洁抹布擦净。
注意!喷涂铜和喷涂镀银表面应用抹布清洁,不要打磨。
不同的接触金属(铝/铜)不能用相同的清洁工具。用无酸的凡士林(例如 壳牌凡士林8420)或等效防腐蚀剂给光滑的接触面涂上润滑膜,并立即栓接在一起1)。
注意:
镀银部分一定不能与铝条栓接在一起。
使用专用M12螺母与8级强度螺栓以及相应弹簧零件和平垫圈。
注意!拧紧端子螺钉时,用适当的扳手或套筒扳手,紧固转矩(70Nm~7mkp)。
控制引线
标准型真空断路器提供一个64头低压插塞式连接器X0(68.7.1)。外部连接的相应插头压接额定截面积1.5mm2的控制引线。使用合适的压接工具(例如Harting牌压接钳 09 99 000 0110 带定位套筒的 09 99 000 0111)1)。
具体参照所供电路图。
接地
使用连接到机械柜(60.)边的带有适当标志的M12端子(70.)上(见图3/3)的扁铜,铜缆或镀锌钢带(DIN VDE 0141/7.76 项目5.3),把真空断路器连接到专用的高压保护接地
如果真空断路器的机械柜安装在一个接地的金属架上,有这样紧密的电气联系,机械柜就不必另外单独接地了。
螺栓头下必须放带锯齿的垫圈(DIN 6798)。
电路图
提供的电路图通过专用的模块和补充说明给出了断路器的配线和连接。
断路器的典型电路图见图3/3和3/5。
功能原理图
图3/3手动合闸64路插头连接的3AH3真空断路器
图3/4低电压脱扣Y7的典型连接电路
功能原理图
图3/5手动电气合闸64路插头连接的3AH3真空断路器
不遵守安全规程将导致严重的人身伤害或财产损失。
特别:
不要移开罩子(60.1)。不要接触开放的正在运行的机械设备内部。不要接触真空绝缘筒(19.)和操作杆(48.)。
试运行
在试运行之前,根据以下几点检查真空断路器:
1.正确的清洁(细节参照“清洁”页5/1).
2.检查所有的固定及端子螺钉是否拧紧.
3.检查真空断路器是否有外部损坏,特别是控制线,绝缘柱和真空灭弧室。
注 意
为了避免电动机突然启动导致的伤害,真空断路器仅能用手动曲柄(50.)操作。
4. 用手动曲柄(50.)给合闸弹簧(62.)储能(见图4/1),按下“合”按钮(53.)后断路器合闸,按下“分”按钮(54.)后断路器分闸。
在带有低电压脱扣分路(Y7)3AX1103的3AH3真空断路器上,榔头的制动螺钉必须由位置A移到位置B(见3AH3真空断路器机械柜[60.]中的注意卡)。
5.用合闸弹簧(62.)上的电动机机械开关测试操作。检查合闸弹簧储能状态的机械和电气指示情况。在第4.项情况下启动机械指示,检查机械和电气的断路器的状态指示情况。
6.通过启动真空断路器来检查辅助开关S1(68.)和电气位置开关(50.4.1)是否在终端位置。
7.还要检查电气启动合闸线圈Y9(53.1)和配备的所有脱扣分路的工作情况。
当真空断路器的功能检查正常,断路器可以投入运行。
合闸弹簧储能
电动机(50.4)上电后自动给合闸弹簧(62.)储能。电气储能出错时,还可以通过手动曲柄(50.)给合闸弹簧(62.)储能。在断路器后壳,如图4/1所示,带有前推适配器(50.6)的手动曲柄通过开口(50.1)套在手动曲柄的联轴(50.5)上顺时针方向转动,直到从指示器开口(55.1)所见到的“合闸弹簧泄放”符号变为“合闸弹簧储能”符号(图4/2)。
图4/1用手动曲柄给合闸弹簧储能
适配器(50.6)的设计使手动曲柄(50.)在电动机储能恢复时可以取下。
图4/2“合闸弹簧储能” 图4/2 “合闸弹簧泄放”
合闸
如果操作没有被机械闭锁联锁,按下“合”按钮(53.)或相应的控制开关后,3AH3真空断路器合闸同时给出指示和发信号显示断路器合闸。
合闸后(如正确),“合”按钮(53.)脱扣,合闸弹簧立刻自动地储能直到能看到“合闸弹簧储能”(55.)的指示为止。
分闸
在合闸期间分闸弹簧(64.)被储能。
按下“分”按钮(54.)或相应的控制开关使断路器分闸,真空断路器分闸同时给出指示和发信号显示断路器分闸。
维护
安全规程
危 险
维护,修理和后续的改造工作只能由经过依照操作说明书和专用改造说明书专门培训了的人员来进行。对人员的培训和信息会议可由西门子的主管部门提供。
在开始真空断路器的任何操作之前,必须参照当地的高压开关设备的安全规则,例如第五规程(DIN VDE 0105/07.83 卷1,条款9)。关闭电源、通过手动合闸和分闸真空断路器(真空断路器处于分闸状态、可见“合闸弹簧泄放”指示)。
不遵守安全规程将导致死亡、严重的人身伤害或大量的财产损失。
维修
在正常的操作情况下,3AH3真空断路器维修是免费的。尽管如此我们推荐定期查看。
清洁
为了保持绝缘能力,清洁绝缘部件是必要的。绝缘部件和断路器外部必须用湿抹布擦拭。只能使用添加了柔性家庭洗涤剂液体的温水作为清洁剂来清洗。
警 告
电源没有断开时,一定不要触摸电线和接线端子。
不遵守安全规程将导致死亡或严重的人身伤害。
注 意
所有的操作机械弹簧必须被释放,真空断路器应在分闸状态,可见“合闸弹簧泄放”指示。
不遵守安全规程将导致人身伤害。
异常的运行条件
如果3AH3真空断路器在一个非常不利的户内条件(例如频繁的雾化, 充斥灰尘的空气等等)下使用,我们推荐定期的清洁断路器外部元件,必要的话,更新防腐蚀保护。下面的产品可用于VCB的每个工作部分。
轴承,滑动面:
Isoflex Topas L32
Klbüer-润滑油KG
Geisenhausener Straβe 7
难于接近的轴承的润滑和辅助开关S1的轴承:
壳牌特勒斯油 32
在防腐蚀处理完前一定不要用清洁剂清洗接头和不可拆的轴承。
在更新防腐蚀保护后,真空断路器要做几种机械开关测试操作。
润滑油(特殊条件下)可从可靠的西门子经销商处得到。
订购号
180g Klbüer-Isoflex Topas L32 和50g壳牌特勒斯油 32 3AX11 33-3A
180g Klbüer-Isoflex Topas L32 3AX11 33-3H
50g壳牌特勒斯油 32 3AX11 33-2G
1kg壳牌特勒斯油 32 3AX11 33-2D
1kg Klbüer-Isoflex Topas L32 3AX11 33-3E
校核触点系统
由于触点的侵蚀、接触片和导向螺栓的压力,触点系统容易磨损。如图5/1,真空灭弧室(30.)上可移动的端子螺栓(36.1)作为校核标记(13.9)被提供来校核触点的磨损。在3AH3真空断路器合闸情况下,只要这个标记完全或部分可以看见就说明触点的缩短在容许的范围之内。
校核真空度
真空度的校核就是确定真空灭弧室是否有泄漏的危险。母线和连接电缆必须被分开。校核通过一组高压试验来完成。如需要的话,可以从西门子的地区办公室获得更多的信息。
使用期限
允许的最大机械操作数是10000次。允许的操作数与开断电流之间的函数关系见图5/2。
当达到允许的最大数时,必须更新真空灭弧室。详细的说明随着替换的真空灭弧室一起被提供。
当订购替换的真空灭弧室时,请说明断路器的型号、设计码和序列号(见铭牌)。
负载特性数的确定
额定电压 额定短路开断电流 额定工作电流时的负载特性数
KV KA 1250A 2000A 2500A 3150A 4000A
7.2 50
63 1
2 1
2 1
2
2
12 50
63 1
2 1
2 1
2
2
15 50
63 1
2 1
2 1
2
2
17.5 50
63 1
2 1
2 1
2
24 40
3
36 31.5
40 4
5 4
5 4
5
图5/2允许的操作数与开断电流Ia之间的函数关系
附件和备件
一个型号3AX1530-2B的为合闸弹簧储能的手动曲柄。
由于这一型断路器的所有部件都被优化设计来维持正常的使用寿命,所以我们不推荐特殊的备件保持有库存。
订购备件时请说明以下内容:
3AH3真空断路器的型号名称、设计码和序列号(见铭牌)
机械联锁及操作机构
在开关柜前装有一套精确轻巧的机械联锁装置来满足不同的产品方案。操作机构采用蜗轮蜗杆齿轴式结构,它由传动轴、齿轮箱组及联轴节等组成,通过这些专用零部件来完成。
上、下隔离开关的分合过程。操作机构有手动型、电动型及手动电动组合型供用户选择。联锁装置符合“五防”要求。在联锁装置外面设有一块操作模拟板,模拟板上设有主回路模拟母线,隔离开关分合的操作孔及操作方向。
压力释放装置
开关柜内设有压力释放通道,以确保柜内因发生故障产生电弧及高压气体时,能释放压力和排泄气体,保证操作人员的安全。