
KJ008可控硅过零触发器能使双向可控硅的开关过程在电源电压为零或电流为零的瞬间进行触发。这样,负载的瞬态浪涌和射频干扰最小,可控硅的使用寿命也可以提高。该电路可用于恒温箱的温度控制单相或三相交流电机和电...

普通晶闸管实质上属于直流器件。要控制交流负载,必须将两只晶闸管反极性并联,让每只SCR控制一个半波,为此需两套独立的触发电路,使用感到不便。 双向晶闸管是在普通晶闸管的基础上发展起来的,它不仅能代替两只...

一.真空泡真空度降低 1.故障现象 真空断路器在真空泡内开断电流并进行灭弧,而真空断路器本身没有定性、定量监测真空度特性的装置,所以真空度降低故障为隐性故障,其危险程度远远大于显性故障。2.原因分析 真空...

自耦变压器是输出和输入共用一组线圈的特殊变压器,升压和降压用不同的抽头来实现。比共用线圈少的部分抽头电压就降低。比共用线圈多的部分抽头电压就升高,其实原理和普通变压器一样的,只不过他的原线圈就是...

GN19-10,10C/400,630,1250型户内高压隔离开关适用于交流5Hz,额定工作电压6,10kv,额定工作电流200,630,1250A的电力系统中,作为有电压无负荷情况下的分断,闭合电路的户内开关设备使用。 GN19高压隔离开关型号及其含义...

型号GN19-12CST/400A 额定电压12K(V)额定电流400-1250(A) 1、产品适用范围: 1.1GN19CST-12系列户内双投式高压隔离开关(以下简称隔离开关)为额定电压12千伏, 三相交流50赫兹...

电机软启动器是采用电力电子技术,微处理技术及现代控制理论而设计生产的具有当今国际先进水平的新型起动设备。该产品能有效地限制交流异步电动机起动时的起动电流,可广泛应用于风机、水泵、输送类及压缩机等负载,...

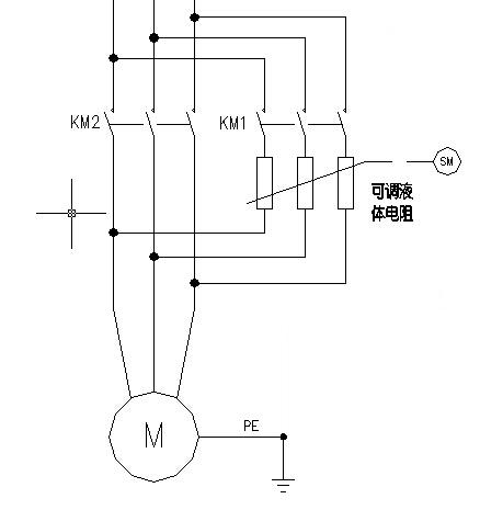
电机软启动器是为电动机服务的,目的是使电动机起动容易,减小起动电流以及减少对电机所拖动机械设备的冲击,根据交流电机的类型不同,电机软启动器主要可分为两大类,一类就是串入电机的定子回路,另一类是串入电机...