地址:湖北省襄阳市江山南路6号
    Tel:13508660044
    E-mail:xfzhelec@163.com
电机软启动器分类及工作原理
发布者:正涵电气 发布时间:2024-03-15 17:56:36 点击次数: 关闭
电机软启动器是为电动机服务的,目的是使电动机起动容易,减小起动电流以及减少对电机所拖动机械设备的冲击,根据交流电机的类型不同,电机软启动器主要可分为两大类,一类就是串入电机的定子回路,另一类是串入电机的转子回路。
一、串入电机定子回路的软启动器
    这类软启动器主要适用于鼠笼式电机或同步电动机,这两类电机起动转矩小,起动电流大,选择这两种电动机,大多数情况下所拖动的负载都是风机和水泵、空压机等轻型负载,所用软启动器有固态软启动器和水阻软启动器。
1、固态软启动器工作原理
    软启动器是一种集电机软起动、软停车、轻载节能和多种保护功能于一体的新颖电机控制装置,国外称为Soft Starter。软启动器采用三相反并联晶闸管作为调压器,将其接入电源和电动机定子之间。这种电路如三相全控桥式整流电路。使用软启动器启动电动机时,晶闸管的输出电压逐渐增加,电动机逐渐加速,直到晶闸管全导通,电动机工作在额定电压的机械特性上,实现平滑启动,降低启动电流,避免启动过流跳闸。待电机达到额定转数时,启动过程结束,软启动器自动用旁路接触器取代已完成任务的晶闸管,为电动机正常运转提供额定电压,以降低晶闸管的热损耗,延长软启动器的使用寿命,提高其工作效率,又使电网避免了谐波污染。软启动器同时还提供软停车功能,软停车与软启动过程相反,电压逐渐降低,转数逐渐下降到零,避免自由停车引起的转矩冲击。
2、水阻软启动器工作原理

图1


    水阻软启动器是在电机定子回路中串可变液体电阻的一种降压起动方式,即随着主电动机的起动,装置自动改变液体电阻动、定极之间的间距,使电阻线性均匀减小,电动机端电压均匀提高的一种起动方式;水阻软启动器内部主要包括3个独立的水箱,三相电分别通入每一个水箱,水箱底部有一固定的铜极板,水箱上部有一可上下移动的铜极板,分别引出进出一次线。以极板升降改变阻值,其柜内部主要包括:水箱(三相分开),一套极板,极板升降电机和传动丝杆、轴承及短接接触器、PLC等。水箱体积主要根据电机大小,计算需要的散热液体体积,因此柜体体积有大有小。如图1,SM时三个水箱做成的水电阻,起动时KM1吸合,起动完毕后KM2短接,KM1脱开,起动过程结束。
以上只是两种大功率电机常用的起动方式,对于小功率电机还有自萬降压起动等方式。
一、串入电机转子回路的软启动器
    这类软启动器主要适用于绕线式电机,大家知道绕线式电机起动电流小,起动转矩大,主要用于拖动重负荷,比如球磨机、破碎机、重型机床等。这类软启动器近年来主要是水阻软启动器。

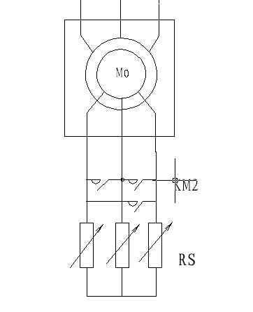
图2


    这种水阻软启动器与上面提到的水阻软启动器工作原理一样,只是它串入在电机的转子回路,而不是定子。水阻软启动器内部有些不一样,由于转子回路需要一直短接,刚开始起动时是在水阻软启动器后内的水电阻后端短接,起动完毕后是靠接触器在水电阻前端短接。如图2.RS是水电阻,起动完毕后KM2来短接转子。