地址:湖北省襄阳市江山南路6号
    Tel:13508660044
    E-mail:xfzhelec@163.com
双向可控硅的工作原理
发布者:正涵电气 发布时间:2024-03-23 14:36:18 点击次数: 关闭
1.可控硅是P1N1P2N2四层三端结构元件,共有三个PN结,分析原理时,可以把它看作由一个PNP管和一个NPN管所组成.
当阳极A加上正向电压时,BG1和BG2管均处于放大状态。此时,如果从控制极G输入一个正向触发信号,BG2便有基流ib2流过,经BG2放大,其集电极电流ic2=β2ib2。因为BG2的集电极直接与BG1的基极相连,所以ib1=ic2。此时,电流ic2再经BG1放大,于是BG1的集电极电流ic1=β1ib1=β1β2ib2。这个电流又流回到BG2的基极,表成正反馈,使ib2不断增大,如此正向馈循环的结果,两个管子的电流剧增,可控硅使饱和导通。
由于BG1和BG2所构成的正反馈作用,所以一旦可控硅导通后,即使控制极G的电流消失了,可控硅仍然能够维持导通状态,由于触发信号只起触发作用,没有关断功能,所以这种可控硅是不可关断的。
由于可控硅只有导通和关断两种工作状态,所以它具有开关特性,这种特性需要一定的条件才能转化
2.触发导通
在控制极G上加入正向电压时(见图5)因J3正偏,P2区的空穴时入N2区,N2区的电子进入P2区,形成触发电流IGT。在可控硅的内部正反馈作用(见图2)的基础上,加上IGT的作用,使可控硅提前导通,导致图3的伏安特性OA段左移,IGT越大,特性左移越快。
一、可控硅的概念和结构?
    晶闸管又叫可控硅。自从20世纪50年代问世以来已经发展成了一个大的家族,它的主要成员有单向晶闸管、双向晶闸管、光控晶闸管、逆导晶闸管、可关断晶闸管、快速晶闸管,等等。今天大家使用的是单向晶闸管,也就是人们常说的普通晶闸管,它是由四层半导体材料组成的,有三个PN结,对外有三个电极〔图2(a)〕:第一层P型半导体引出的电极叫阳极A,第三层P型半导体引出的电极叫控制极G,第四层N型半导体引出的电极叫阴极K。从晶闸管的电路符号〔图2(b)〕可以看到,它和二极管一样是一种单方向导电的器件,关键是多了一个控制极G,这就使它具有与二极管完全不同的工作特性。

  图2
二、晶闸管的主要工作特性
为了能够直观地认识晶闸管的工作特性,大家先看这块示教板(图3)。晶闸管VS与小灯泡EL串联起来,通过开关S接在直流电源上。注意阳极A是接电源的正极,阴极K接电源的负极,控制极G通过按钮开关SB接在3V直流电源的正极(这里使用的是KP5型晶闸管,若采用KP1型,应接在1.5V直流电源的正极)。晶闸管与电源的这种连接方式叫做正向连接,也就是说,给晶闸管阳极和控制极所加的都是正向电压。现在我们合上电源开关S,小灯泡不亮,说明晶闸管没有导通;再按一下按钮开关SB,给控制极输入一个触发电压,小灯泡亮了,说明晶闸管导通了。这个演示实验给了我们什么启发呢?

  图3
    这个实验告诉我们,要使晶闸管导通,一是在它的阳极A与阴极K之间外加正向电压,二是在它的控制极G与阴极K之间输入一个正向触发电压。晶闸管导通后,松开按钮开关,去掉触发电压,仍然维持导通状态。
晶闸管的特点: 是“一触即发”。但是,如果阳极或控制极外加的是反向电压,晶闸管就不能导通。控制极的作用是通过外加正向触发脉冲使晶闸管导通,却不能使它关断。那么,用什么方法才能使导通的晶闸管关断呢?使导通的晶闸管关断,可以断开阳极电源(图3中的开关S)或使阳极电流小于维持导通的最小值(称为维持电流)。如果晶闸管阳极和阴极之间外加的是交流电压或脉动直流电压,那么,在电压过零时,晶闸管会自行关断。
三、用万用表可以区分晶闸管的三个电极吗?怎样测试晶闸管的好坏呢?
普通晶闸管的三个电极可以用万用表欧姆挡R×100挡位来测。大家知道,晶闸管G、K之间是一个PN结〔图2(a)〕,相当于一个二极管,G为正极、K为负极,所以,按照测试二极管的方法,找出三个极中的两个极,测它的正、反向电阻,电阻小时,万用表黑表笔接的是控制极G,红表笔接的是阴极K,剩下的一个就是阳极A了。测试晶闸管的好坏,可以用刚才演示用的示教板电路(图3)。接通电源开关S,按一下按钮开关SB,灯泡发光就是好的,不发光就是坏的
四、晶闸管在电路中的主要用途是什么?
普通晶闸管最基本的用途就是可控整流。大家熟悉的二极管整流电路属于不可控整流电路。如果把二极管换成晶闸管,就可以构成可控整流电路。现在我画一个最简单的单相半波可控整流电路〔图4(a)〕。在正弦交流电压U2的正半周期间,如果VS的控制极没有输入触发脉冲Ug,VS仍然不能导通,只有在U2处于正半周,在控制极外加触发脉冲Ug时,晶闸管被触发导通。现在,画出它的波形图〔图4(c)及(d)〕,可以看到,只有在触发脉冲Ug到来时,负载RL上才有电压UL输出(波形图上阴影部分)。Ug到来得早,晶闸管导通的时间就早;Ug到来得晚,晶闸管导通的时间就晚。通过改变控制极上触发脉冲Ug到来的时间,就可以调节负载上输出电压的平均值UL(阴影部分的面积大小)。在电工技术中,常把交流电的半个周期定为180°,称为电角度。这样,在U2的每个正半周,从零值开始到触发脉冲到来瞬间所经历的电角度称为控制角α;在每个正半周内晶闸管导通的电角度叫导通角θ。很明显,α和θ都是用来表示晶闸管在承受正向电压的半个周期的导通或阻断范围的。通过改变控制角α或导通角θ,改变负载上脉冲直流电压的平均值UL,实现了可控整流。
五、在桥式整流电路中,把二极管都换成晶闸管是不是就成了可控整流电路了呢?
在桥式整流电路中,只需要把两个二极管换成晶闸管就能构成全波可控整流电路了。现在画出电路图和波形图(图5),就能看明白了。
六、晶闸管控制极所需的触发脉冲是怎么产生的呢?
晶闸管触发电路的形式很多,常用的有阻容移相桥触发电路、单结晶体管触发电路、晶体三极管触发电路、利用小晶闸管触发大晶闸管的触发电路,等等。今天大家制作的调压器,采用的是单结晶体管触发电路。
七、什么是单结晶体管?它有什么特殊性能呢?
单结晶体管又叫双基极二极管,是由一个PN结和三个电极构成的半导体器件(图6)。我们先画出它的结构示意图〔图7(a)〕。在一块N型硅片两端,制作两个电极,分别叫做第一基极B1和第二基极B2;硅片的另一侧靠近B2处制作了一个PN结,相当于一只二极管,在P区引出的电极叫发射极E。为了分析方便,可以把B1、B2之间的N型区域等效为一个纯电阻RBB,称为基区电阻,并可看作是两个电阻RB2、RB1的串联〔图7(b)〕。值得注意的是RB1的阻值会随发射极电流IE的变化而改变,具有可变电阻的特性。如果在两个基极B2、B1之间加上一个直流电压UBB,则A点的电压UA为:若发射极电压UE<UA,二极管VD截止;当UE大于单结晶体管的峰点电压UP(UP=UD+UA)时,二极管VD导通,发射极电流IE注入RB1,使RB1的阻值急剧变小,E点电位UE随之下降,出现了IE增大UE反而降低的现象,称为负阻效应。发射极电流IE继续增加,发射极电压UE不断下降,当UE下降到谷点电压UV以下时,单结晶体管就进入截止状态。
八、怎样利用单结晶体管组成晶闸管触发电路呢?
单结晶体管组成的触发脉冲产生电路在今天大家制作的调压器中已经具体应用了。为了说明它的工作原理,我们单独画出单结晶体管张弛振荡器的电路(图8)。它是由单结晶体管和RC充放电电路组成的。合上电源开关S后,电源UBB经电位器RP向电容器C充电,电容器上的电压UC按指数规律上升。当UC上升到单结晶体管的峰点电压UP时,单结晶体管突然导通,基区电阻RB1急剧减小,电容器C通过PN结向电阻R1迅速放电,使R1两端电压Ug发生一个正跳变,形成陡峭的脉冲前沿〔图8(b)〕。随着电容器C的放电,UE按指数规律下降,直到低于谷点电压UV时单结晶体管截止。这样,在R1两端输出的是尖顶触发脉冲。此时,电源UBB又开始给电容器C充电,进入第二个充放电过程。这样周而复始,电路中进行着周期性的振荡。调节RP可以改变振荡周期。
九、在可控整流电路的波形图中,发现晶闸管承受正向电压的每半个周期内,发出第一个触发脉冲的时刻都相同,也就是控制角α和导通角θ都相等,那么,单结晶体管张弛振荡器怎样才能与交流电源准确地配合以实现有效的控制呢?
为了实现整流电路输出电压“可控”,必须使晶闸管承受正向电压的每半个周期内,触发电路发出第一个触发脉冲的时刻都相同,这种相互配合的工作方式,称为触发脉冲与电源同步。



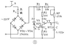
    怎样才能做到同步呢?大家再看调压器的电路图(图1)。请注意,在这里单结晶体管张弛振荡器的电源是取自桥式整流电路输出的全波脉冲直流电压。在晶闸管没有导通时,张弛振荡器的电容器C被电源充电,UC按指数规律上升到峰点电压UP时,单结晶体管VT导通,在VS导通期间,负载RL上有交流电压和电流,与此同时,导通的VS两端电压降很小,迫使张弛振荡器停止工作。当交流电压过零瞬间,晶闸管VS被迫关断,张弛振荡器得电,又开始给电容器C充电,重复以上过程。这样,每次交流电压过零后,张弛振荡器发出第一个触发脉冲的时刻都相同,这个时刻取决于RP的阻值和C的电容量。调节RP的阻值,就可以改变电容器C的充电时间,也就改变了第一个Ug发出的时刻,相应地改变了晶闸管的控制角,使负载RL上输出电压的平均值发生变化,达到调压的目的。
    双向晶闸管的T1和T2不能互换。否则会损坏管子和相关的控制电路。