正涵电气
电 话:0710-3233-563
       13508660044
Q Q:578-848-189
地 址:湖北省襄阳市江山南路6号
邮 编:441003
网 址:www.zhel.cn
E-mail:xfzhelec@163.com
水电阻的工作原理
水电阻的工作原理
 

摘要:水电阻即液体电阻具有过载能力强、可以无级调节等优点,被广泛应用于电动机的起动和调速。而由于它制作简单、不容易受到功率的限制,在大型电机(功率在200KW~20000KW)的起动控制方面更显出它的优势。

在电路中,随处可见的是固体电阻,而固体电阻的应用也比比皆是。譬如:加热用的电加热器、直流电机用的调速(调压)电阻、绕线式电动机用的起动-调速电阻等等。

而最近几年,液体电阻的应用日益增多,主要应用在水泥、钢铁、化工等行业,为大型电动机的起动困难问题提供了有效的解决方案。

1水电阻的构成

水电阻是用水作溶剂,在水中加入电解粉溶化后得到溶液,再在溶液中放入相互平行的两块导电极板(一般采用导电性能和防腐性能较好的金属板制成)而制成。

2水电阻的导电原理

水电阻是电解液形成的电阻,它导电的本质是离子导电。其阻值正比于二块电极板的距离,反比于电解液的电导率,极板距离和电导率都便于控制。

3水电阻的应用

3.1与绕线式异步电动机配套使用

3.1.1用作对电动机的起动

液体电阻起动器,以液体电阻【又称液体变阻器(简称水电阻)】取代频敏电阻和金属电阻,起动时使液体电阻串入电机转子回路中,同时电阻值平滑减小,从而实现绕线式大中型电动机的重载平滑起动。它克服了频敏电阻起动器冲击电流大、难起动和操作不便等问题。适用于大型设备的电动机重载起动,是频敏电阻起动器和金属电阻起动器的替代产品。

根据电机学理论我们知道:对于绕线式异步电动机来说,当电网电压及频率不变时,在转子回路中串入电阻后,可以改善电动机的起动转矩,它们的机械特性如下图所示。

我们可以从上图看出,在绕线式电动机转子回路串入适当的电阻,一方面可以减小起动电流,另一方面又可以增加起动转矩,由此可见我们若能让串入转子回路中电阻随电动机转速增加而相应减小,那么我们就能在起动过程中始终使电动机获得较大起动转矩及最小起动电流。

液体电阻起动器就是利用这一原理,在被控绕线电动机的转子回路中串入特殊配制的液体电阻,并通过调整电解液的浓度及改变两极板间的距离使液体电阻阻值在起动过程中始终满足电机机械特性对串入电阻值的要求,从而使电动机获得最大起动转矩及最小起动电流,进而平稳起动。

   具体工作过程是:主电机起动时,动极板在一个小功率传动机构系统的带动下缓慢移动,改变两极板之间的距离,使串入主电机转子回路的液体电阻阻值变化满足上述条件,主电机转速逐渐升高。当两极板之间距离最小时,电机转速达到额定转速,将液体电阻短接,完成起动过程,转入运行状态。

从上述过程可以看出,在其他条件不变的情况下,由于串入转子回路中的液体电阻的阻值近似满足了电机机械特性的要求,所以起动转矩基本保持最大,电流基本保持在较小水平,其起动时起动特性曲线如下图。

所以说使用液体电阻起动器可以使电动机在起动过程中,加速均匀,电流冲击小,起动过程平稳,电网压降小。

3.1.1.1性能特点

液体电阻起动器,兼有其它几种起动方式的优点,又克服了其缺点,使90KW以上大中型绕线式异步电动机真正实现了重载软起动,与传统的起动方式相比其优良性能主要表现在以下几个方面:

1) 软起动,起动电流小:同频敏起动器相比其起动电流更小,一般起动电流≤13倍额定电流,降低了电机起动温升,有效地延长电机使用寿命;

2) 起动过程平滑,克服频敏起动器的二次冲击现象,对机械设备无冲击;

3) 可连续起动5-10次,克服了频敏起动器无法连续起动的缺点;

4)可在低电压下起动:380V电机在340V时,6KV电机在5.5kV时,lOKV电机在9KV时,均可顺利起动,解决了频敏起动器等传统方式低压无法起动的问题;

5)结构可靠、简单,安装、维护方便:

6)通用性好,可适用任何负载状况下绕线式电机软起动;

7)可以设计起动超时、失压、超行程、液阻超温等多重保护功能。

可广泛应用于水泥、化工、钢铁、冶金、矿业、能源等行业中的各种负载状况下绕线式异步电机的平滑软起动如:球磨机、风机、破碎机、立磨机、压缩机、轧钢机 、压榨机、辊压机等。

3.1.2用作对电动机的起动并调速

在上述液体电阻起动器中,增加极板距离远-近调节功能和液阻散热系统就可以得到一台电动机的液体电阻起动-调速器。其性能与液体电阻起动器相同。

3.2与鼠笼式异步电动机配套使用

根据电机拖动理论,在电机的定子回路中串入起分压和限流作用的液体电阻,起动过程中,液阻的阻值在设定时间内自动实现由大到小的无级变化.从而使加在电机定子上的端电压逐步升高,起动转矩逐步加大,当电机转速接近额定转速时,切除液阻投入全压运行,实现电机的低电流平稳软起动。

3.2.1性能特点

恒流软起动:起动电流小.为电动机额定电流的23.5倍;

起动过程平滑,无冲击,电网压降在10%以内,保证了电网的可靠安全运行,有效保护电动机及传动机械,可延长设备的使用寿命;

不受电网电压波动和负载变动的影响,可确保一次起动成功,并可连续起动三次以上,优于高压热变电阻起动器;

可以设置完善的报警提示功能和电动机的保护功能。

3.2.2与其它起动方式比较

根据国家节能中心规定,大中型电机应优先选用高压电机,而高压电机在使用中起动是一个首要的问题,在我国各工矿企业中,大功率笼型电机一般采用直接起动、串电抗器起动、高压变频软起动、串液阻降压起动等几种起动方式。

直接接入高压电网的电机,全压起动时,会造成电网电压下降,影响电网上其它设备的正常运行,甚至造成事故;接于专用变压器的电机,对变压器容量要求有一定的余量,而大多数企业所选配的变压器容量余量有限,只能空载全压起动。起动后再加负载,这样将给电机造成很大机械冲击,大大缩短了电机和拖动系统的使用寿命。在这些情况下,我们只能采取降压起动方式对笼型电机进行起动。

采用星三角减压起动和延边三角形减压起动方式,不需要专用的起动设备。但是电机定子绕组抽头多,制造工艺麻烦,电机价格较贵。由于受到电机定子绕组接法的限制,故很少采用这两种起动方式。

电阻或电抗器减压起动,虽然起动设备价格较便宜。但这两种方式存在起动电流较大,起动性能不稳定等缺点,而且在起动过程中阻抗值不可调,发热严重、能耗大,起动过程不可控,且不宜连续起动,起动设备寿命短,属淘汰产品.热变电阻利用液体电阻的负温度特性来改变电阻值,而实际上液体电阻的这种阻值随温度升高而变小的特性相当有限,基本上等同于一个固定电阻.其虽然也能实现起动一次的功能,但其起动特性不能很好地满足电机起动时所要求的阻值平滑变小的需要,而且可控性很差,起动一次温升很高,不适合需经常起动的场合。

4 结论

综上所述,适合于大、中型绕线式异步电动机及同步电动机、鼠笼型异步电动机的液体电阻软起动装置,充分利用了液体电阻热容量大,可调性好的特点,能将电机的起动电流控制在:绕线式电机(1.11.3)倍电机额定电流、鼠笼型电机(23.5)倍电机额定电流的范围内,极大地降低了起动电流,其良好的起动特性使之成为目前国内大中型笼型电机理想的软起动产品。

1:绕线式电机水电阻的配置

1、配液用水:一般选用经过净置后去掉沉淀物的生活用水即可。

2、电阻溶质即:电阻粉,由生产厂商提供。

3、液体起动电阻R<sub>O</sub>的确定: RO=0.577*U2e/I2e;KF;kt/kM 式中:U2e:转子回路的开路电压(VI2e:电机转子回路的额定电流(AKF:电机容裕倍数。(KF=1.1-1.3,1.2 kt:温度倍数。(kt=1.1-1.3,1.2) kM:起动转矩倍数。(kM=1.1-1.3,1.2) 根据实际情况,我们将上述公式进行简化后: RO=0.7*U2e/I2e 式中:U2e:电机转子回路的开路电压(V I2e:电机转子回路的额定电流(A

4、水电阻的配制:

①先将动极板置于起动位置,将准备好的水注入到水箱规定位置的2/3左右,注意三格液位要基本相等;

②将配制好的溶液注入水箱中;

③分别向液阻箱中加水至要求液位;

<④扳动试验按钮,使极板上下运动二、三次,使箱内电阻液搅拌均匀;

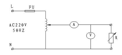
⑤液体电阻的测量:将液体电阻的活动极板移到起动位置后,通过自耦变压器给每相动静极板之间通过50Hz电,电流从0开始逐渐正大至5A左右电流IA),记下电流表A的读数,并测量两极之间压降VV),测液体电阻值为: R(Ω)=VV/IA)

<div><span>⑥电阻的调整如偏大应增大电阻液浓度,否则应降低其浓度,调节方法是用软管抽出部分溶液加水或电液粉(电解粉)

2:鼠笼式电机水电阻的配置

①取随设备配送的电解粉适量用蒸馏水溶解后,以备使用;

<②根据以下公式大致计算好需配好串入定子每相中的电阻值R0

串入定子每相中的电阻值,其中,Ue为电机额定电压,Ie为电机额定电流,n为电机起动的最大起动电流倍数(选取时根据主电机所拖动的负荷轻重而定,负荷较轻时相对取小,负荷较重时相对取大),Ro为串入定子回路的水阻阻值。

③把蒸馏水(或纯净水、无盐水)均匀地倒入三个水箱中,一直加到各水箱液面离水箱盖板10cm左右;

④调整好动极板的位置;

⑤按下图[1]接好测量液阻的电路,取事先配置好的电解液适量,缓慢加入水箱中,并一边加,一边搅动,同时监视电压表和电流表,用伏安法测量电阻是否合适。

液体电阻阻值测量电路.jpg  

公司介绍 | 产品展示 | 工程案例 | 新闻中心 | 在线订购 | 联系我们
CopyRight @ 正涵电气版权所有
地址:湖北省襄阳市江山南路6号  电话:13508660044  传真:
邮编:441003  E-mail:xfzhelec@163.com  
鄂ICP备16004512号-3