|
在内部故障引起电弧的条件下试验
金属封闭式高压开关柜的方法
A1 概述
考虑到内部过压力作用到盖板、门、观察窗等部件上,也考虑到电弧或弧根对外壳的效应以及喷射出的灼热气体和灼热微粒的效应,但以不损伤隔板和活门为限。因此,它不包括所有会造成危害的各种效应,如有毒气体。故试验的安排,仅模仿了门和盖板关闭并正确扣紧这一工况。
A2 可触及性的分类
按附录A第A5.3.2条、第A5.3.3条给定的两种不同试验条件,可触及性分为两类:
A类:仅限于经批准允许的人员方能触及的金属封闭式高压开关柜;
B类:其中触及性不受限制(包括公众可触及的)的金属封闭式高压开关柜。
A3 试验安排
功能单元的类别、数量、安装中的位置及电弧引燃的部位等,都应根据实际使用中可能出现的部位来确定,但应符合以下要求:
a)试验应在未引燃过电弧的功能单元上进行;
b)试验时安装条件应符合实际的工作情况;
c)功能单元内的各组件已安装完整;
d)试品应在规定的接地点与接地网相连接;
e)引燃电弧的方式应模拟实际运行中出现故障情况。
A4 施加的电压和电流
A4.1 总则
加入试品上的试验电源为三相,其短路电流值与额定短时耐受电流值相等。
A4.2 电压
试验回路的施加电压等于试品的额定电压,如果能满足下列条件,选取的电压值可稍低:
a)电流的实际波形是正弦波形;
b)电弧燃烧时间能满足预定要求,不致提前熄灭。
A4.3 电流
A4.3.1 交流分量:要求通过试品短路电流值允许的偏差为+5%,且应维持恒定。
A4.3.2 直流分量:要求关合短路的瞬间,使通过试品一个“边相”的峰值电流等于2.5倍交流分量的有效值,如电压低于额定值,试品上通过的短路电流峰值,应不低于预期峰值电流的95%。
A4.4 频率
当额定频率为50Hz时,试验电源开始时频率应在48~52Hz之间。当在其他额定频率时,其偏差值不应超过额定值的±10%。
A4.5 试验持续时间
电弧持续时间的选择与保护装置的设置确定的电弧可能持续的时间有关,暂定为0.5~1s。
在试验具有压力释放装置的金属封闭式高压开关柜时,仅验证它对压力的释放阻力,电弧持续时间可以取下限。
注:当电流值不同于规定的试验电流时,要计算该电流时电弧允许持续时间,一般是不可能的。试验过程中的最大压力通常不会因较短的燃弧时间而降低,因而不存在由于试验电流的减少,电弧持续时间增加的这样一个通用法则。
A5 试验程序
A5.1 供电电路
当高压开关柜使用于“直接”接地系统时,电源中性点才予以接地。注意不要因连接线改变了试验条件。一般在外壳内,可以从两个方向供电,应选择可能引起最严重电弧效应的供电方向。
A5.2 电弧的引燃
使用直径为0.5mm的金属导线在试品的相间引燃电弧;当各相被分隔时,则在一相对地间引燃电弧。
带电部分以固体绝缘材料覆盖的功能单元中,应在相邻两相绝缘覆盖件的接头或间隙处引燃电弧(覆盖带电部分的固体绝缘材料上不允许钻孔以引燃电弧),使故障可能发展为三相短路。
选择电弧引燃点,应使电弧在功能单元中产生的效应为最大。如果不能肯定引燃点在何处能产生最大效应,则必须在每种功能单元上多进行几次。
A5.3 观察气体热效应的指示器
A5.3.1 总则
指示器是一些黑棉布片,装设时,它的切边不要朝向被试品,并应注意它们彼此之间不能互相引燃。例如,将它们固定在钢板制的安装骨架上就可以达到要求,见图A1。指示器的尺寸约为150mm×150mm。
图 A1 指示器安装柜架 (mm)
A5.3.2 A类可触及性
指示器应垂直固定,面对试品的操作面。必要时,应同时装设在易被人触及的各面。它应装设在高度为2m及以下,且与试品相距300±15mm,面对气体可能喷出的各点(如接缝处、观察窗、门等)。在距地面2m高、距试品0.3~0.8m处还应装设水平放置的指示器,见图A2。
指示器应使用约150g/m2的黑色棉布。
A5.3.3 B类可触及性
指示器应垂直装设于试品所有可触及侧的附近。它应装设的高度为2m以下,与试品相距100±5mm,面对可能有气体喷出的各点(如接缝处、观察窗、门等)。在距离地面2m高、距试品0.1~0.8m处,还应装设水平放置的指示器。如果试品低于2m,指示器应水平装于顶盖上,面对所有气体可能喷出的各点并与垂直指示器靠近,此时,仅要求垂直指示器达到试品有效高度,见图A2。
指示器应使用约40g/m2的黑色棉麻细布。
A6 试验的评价
下列判据均考虑了附录A第A.1条所列的电弧效应,要求进行试验者,应决定用哪一判据来评价试验结果。
A6.1 判据1
门、盖板等仍应正确地固定好,而没有开启的现象。
A6.2 判据2
试品中可能产生危险的零件不应飞出,这些零件包括较大或边缘锐利的金属或硬塑料零件,例如观察窗、压力释放帘板、盖板等。
A6.3 判据3
不应由于燃烧或其他效应,致使电弧将试品的外壳烧穿,而使某些外部件变成为随意可触及。
A6.4 判据4
垂直装设的指示器(附录A第A.5.3条所指的指示器)是否点燃,如因涂料或粘合剂的燃烧导致指示器点燃,可以不计入。

h—试品高度;i—指示器装设位置
图 A2 指示器安装方式
(a)A类可触及性;(b)B类可触及性
A6.5 判据5
水平装设的指示器(附录A第A.5.3条所指的指示器)是否点燃,如果在试验中由于灼热微粒而不是气体导致指示器燃烧,可认为符合标准。这可由高速摄影机拍摄的照片作为判断的依据。
A6.6 判据6
所有的接地连接都是可靠的。
A7 试验报告
在试验报告中应提供下列内容:
A7.1 额定值
用图表示的被试单元的主要尺寸,与机械强度有关的零部件,压力释放阀的布置和试品本身在地面或墙上的固定方法。
A7.2 试验接线及引燃点
试验线路的实际布设和电弧的引燃点
A7.3 指示器的装设情况
根据可触及性分类而规定的指示器的材料和装设的实际情况。
A7.4 试验电流
对试验电流记录要求如下:
a)在最初三个半波内交流分量的有效值;
b)最大峰值;
c)试验实际持续时间内交流分量平均值;
d)试验持续时间。
A7.5 示波图
试验中的实际测得电流、电压波形图。
A7.6 试验结果的评价
根据试验情况,按附录A第A6条中的规定作出结论。
A7.7 其他有关说明
凡本附录未规定,在试验中所发现的异常现象,均应在此项加以说明。
附 录 B
(标准的附录)
按短时持续电流的热效应计算
裸导体截面的方法
下面的公式可用以计算承受电流持续时间为0.2~0.5s的热效应的裸导体截面:

式中:S——导体截面,mm2;
I——电流有效值,A;
α——系数,以 表示,并按下列规定取值:
铜为13
铝为8.5
铁为4.5
铅为2.5
t——电流通过时间,s;
Δθ——温升,K,对于裸导体一般取180,如果时间超过2s, 但小于5s,Δθ值可在同一公式中增加到215。
本公式考虑到了温度升高并非严格的绝热过程。
附 录 C
(标准的附录)
局部放电测量
C1 总则
局部放电测量是一种检测正在试验中设备某些缺陷的适宜的方法,同时也是对绝缘试验的有效的补充办法。经验表明,局部放电可在某些布置中引起绝缘的介质强度下降,尤其是对固体绝缘。另一方面,由于金属封闭式高压开关柜中所使用的绝缘系统的复杂性,不可能在局部放电测量结果和设备的预期寿命间建立一种可靠的关系。
C2 应用
由于绝缘封闭型或复合绝缘的高压开关柜中大量地采用了有机绝缘材料,进行局部放电测量,并结合其他绝缘试验,检验是否存在由于设备设计不当而造成绝缘的弱点。
由于设计的多样化,对于试品不可能提出通用的试验规程。一般,试品应包括与设备的完整装配中具有相同的绝缘强度的组件和部件。
注
1 应优先选择完整装配成的试品。在积木式高压开关柜中,特别是对嵌入固体绝缘内的各种带电部件和连接件,试验必须在装配完整的试品上进行。
2 由常规组件组合的设计中(例如仪用互感器、套管),这些组件可根据其有关的标准对它们单独试验,而本附录局部放电试验的目的是检验这些组件在装配中的布置。
由于技术和经济上的原因,建议局部放电试验与必作的绝缘试验在同一组件或部件上进行。
注:此试验可在一些组件或部件上进行,测量时,必须注意外部的局部放电不要影响测量。
出厂试验也可以在组件上进行。
决定局部放电试验必要性的判据是:
a)实际的使用经验,包括整个生产期间试验的结果;
b)固体绝缘在最高电场区域下的电场强度值;
c)设备中,主绝缘部分的绝缘材料类型。
C3 试验回路和测量仪器
在GB7354《局部放电测量》中给出了推荐的试验回路和测量仪器及检验方法。三相设备可在单相试验回路,也可在三相试验回路中(见本附录表C1)试验。
C3.1 单相试验回路
程序A
作为一般的方法,适用于中性点直接接地,或不直接接地系统中运行的设备。
为测量局部放电量,每相将相继接到试验电压源上,其余两相和所有工作时接地的部件都接地。
程序B
仅适用于中性点直接接地系统中运行的设备。
为了测量局部放电量,将采用两种试验布置。
首先,应在1.1U(U是额定电压)试验电压下进行测量,每相应相继接到试验电压源上, 其余两相接地。测量时必须隔离或移去在使用中正常接地的所有的金属部件。
附加测量应在试验电压降到 进行,在测量过程中,工作时接地部件均接地,同时三相桥接后接到试验电压源上。
C3.2 三相试验回路
当试验设备合适和许可时,局部放电试验可按三相布置进行。
在此情况下,推荐使用三个耦合电容器按图C1连接, 可用一个放电检测器相继接到三个测量阻抗上去。
对在三相回路的一个测量位置中检测器的检验是将已知电量的短时电流脉冲依次注入到每一相和地间。给出的最小偏转的刻度是用来确定电荷量的。
C4 试验程序
根据试验回路(见本附录表C1),将工频电压升高到大于等于1.3U或 ,且在此值下保持10s。
注:局部放电试验也可在工频电压试验后降压进行C1]。
然后,按照试验回路连续地将电压降到1.1U或 ,且在这些电压下测量局部放电量。
注:U——设备的额定电压。
如果可能的话,应考虑实际背景噪声水平,并记录局部放电的起始电压和熄灭电压作为补充资料。
通常,试验是开关设备处于合闸位置,在其组件或部件上进行,由于局部放电可能损坏隔离开关在分闸位置触头间的绝缘,因此,应对隔离开关在分闸位置的情况下,补充进行局部放电测量。
C5 最大允许的局部放电量
在1.1U或 电压下的最大允许局部放电量,由制造厂和用户商定。
注:在进一步取得可靠数据之前,不规定局部放电量的极限值。目前,这些值由制造厂确定,或在验收试验时,由制造厂和用户协商确定。
局部放电量以(C)库仑表示。
在 电压下测得的最大允许的局部放电量和根据实际经验可接受的值给出如下局部放电量的参考值C2]:
树脂浇注绝缘的套管 20×10-12C;
采用说明:
C1] IEC298中无此内容,采用IEC466进行补充。
C2]采用IEC466的内容补充。
树脂浸渍纸套管 100×10-12C;
固体绝缘的仪用互感器 50×10-12C;
液体浸渍绝缘的仪用互感器 10×10-12C。
注:这些值不适用于开关设备的其他总装或分装部件。
一般说来,对于组件或部件的许可值应为其元件中许可的最高值。
表 C1 局部放电试验回路和程序
|
|
单 相 试 验 |
三相试验 |
|
程序A |
程序B |
|
电压源连接处 |
依次连接到每相 |
依次连接到每相 |
同时连接到三相 |
三相(见图C1) |
|
接地连接的元件 |
其他相和工作时所有接地的部件 |
其他两相 |
工作时所有接地的部件 |
工作时所有接地的部件 |
|
最低预施电压 |
1.3U |
1.3U |

|
1.3U(1) |
|
试验电压 |
1.1U |
1.1U |

|
1.1U(1) |
|
基本图 |

|

|

|

|
|
注:(1)相间电压。
(2)中性点不接地系统的补充试验(仅用于型式试验)。 |

N—中性点连接;E—接地连接;L1、L2、L3—三相电源的连接端子;
Z1、Z2、Z3—试验回路阻抗;Ck—耦合电容器;Zm—测量阻抗;
D—局部放电检验器;t—被试品
图 C1 局部放电试验回路(三相布置)
附 录 D
(标准的附录)
用于严酷气候条件下的7.2~40.5kV
交流金属封闭式高压开关柜的附加要求
D1 适用范围
本附录适用于按照本技术条件的规定并在凝露和污秽方面比正常使用条件更严酷的使用条件下使用的户内金属封闭式高压开关柜。
注:虽然机构、连锁和外壳等机械部件的特性也很重要,但在本附录中详细规定的试验主要是验证电气绝缘性能。
D2 适用对象
本附录提出了凝露和污秽两方面严酷使用条件的两个等级的定义。确定了金属封闭式高压开关柜在规定条件下的性能的试验程序,以便得出它们在这些严酷使用条件下,能否适应的结论。
D3 凝露和污秽运行条件下的严酷度
安装在建筑物内的户内设备,通常能免遭户外气候条件的危害,但可能要承受由于温度快速变化引起的凝露以及建筑物内污秽的环境。
金属封闭高压开关柜周围的凝露和污秽的使用条件分类如下:
Co:通常不出现凝露(每年不超过两次)。
Cl:凝露不频繁(每月不超过两次)。
Ch:凝露频繁(每月超过两次)。
Po:无污秽。
Pl:轻度污秽。
Ph:严重污秽。
注
1 Po认为不现实。
2 对于包含有腐蚀性沉积物使用条件,应向制造厂询问。
考虑到设备特别受到温度和污秽联合作用的情况,三个使用条件的严酷等级定义如下:
0级:Co Pl。
1级:Cl Pl或Co Ph。
2级:Cl Ph或Ch Pl或Ch Ph。
D4 金属封闭式开关柜的分类
定义了0、1、2三个设计等级分别对应于附录D第D3条所述的使用条件严酷度的三个等级。按照这些设计等级,高压开关柜的使用环境条件如下。
D4.1 0类设计
产品用于温度、湿度可控制的地点,可以周期性地加温或冷却、降低湿度。要求安装产品的建筑物不受户外气候条件日变化的影响,并采取了使进入建筑物空气中沉积物减到最少的措施。
D4.2 1类设计
存在两种可能性:
a)产品用于没有温度、湿度控制的地点。要求安装产品的建筑物不受户外气候条件日变化的影响,但凝露不能排除。采取了使进入建筑物空气中沉积物减到最少的措施。
b)产品用于温度、湿度可控制的地点,但安装产品建筑物进入的空气无专门使沉积物减到最少的预防措施,或建筑物处在极接近于尘源的地方。
D4.3 2类设计
存在三种可能性:
a)产品用于温度、湿度不能控制的地点。要求安装产品建筑物不受户外气候条件日变化的影响,但凝露不能排除。未采取专门使进入其建筑物空气中沉积物减到最少的预防措施,或建筑物处于极接近于尘源的地方。
b)产品用于温度、湿度不可控制的地点。安装产品建筑物免受户外气候日变化影响的防护很少,以致凝露可能频繁出现。采取了使进入其建筑物空气中沉积物减到最少的预防措施,但处在有蒸汽源的地方。
c)产品用于温度、湿度不可控制的地点。安装产品建筑物免受户外气候日变化影响的防护很少,以致凝露可能频繁出现。无专门使进入其建筑物空气中沉积物减到最少的预防措施,或其建筑物处在极接近尘源的地方。
注
1 通过选择金属封闭式高压开关柜合适的防护等级,可使产品外壳内沉积物的数量减到最少。
2 通常变电站装设过滤器和密封门排除沉积物要比排除凝露容易。
D4.4 根据附录D第D4.1~第D4.3条定义的三类设计等级,在高压开关柜中采用的高压组件及其支持绝缘件的外绝缘爬电比距应符合本技术条件第6.1.2条的规定。
D5 分类程序
对于按本技术条件规定的正常使用条件不要求做附加试验并符合金属封闭式高压开关柜应认为属于0类设计。
通过试验来验证设备满足1类设计或2类设计的严酷使用条件下的性能。进行老化试验的必要性可以预先进行穿透性试验来判定。如果成功地通过此项试验,则设备可直接地归为2类设计。
如果穿透性试验被省略或没有通过,则按1类设计的金属封闭式高压开关柜将按照附录D第D9条承受1级老化试验;按2类设计的金属封闭式高压开关柜将按照附录D第D10条承受2级老化试验。
穿透性试验由一周期性变化的气候周期组成,在这周期中应进行相关的测量。然后设备暴露在温度周期变化的盐雾中,继之按照附录D第D8.3条规定的判断程序在接着的气候周期期间进行。
1级和2级的老化试验要求重复采用同一气候周期,并继而进行附录D第D11条中规定的判断程序。除了2级老化试验采用多个气候周期数外,2级老化试验等同于1级老化试验。
穿透性试验所选用的参数(温度、湿度、污秽)足以代表2类设计定义的使用条件,即频繁的凝露和严重的污秽导致外壳内绝缘件的表面电导约10μS。
分类程序按图D1所示的流程图进行。

图 D1 分类程序流程图
D6 试验设备及有关的要求
D6.1 人工气候试验室
人工气候试验室要求有足够的容积以便容纳被试品。试品装于人工气候试验室多孔的基架上,离地面高度不小于0.5m。气候试验室的容积应是被试品容积的5~15倍。被试品外壳壁、顶部与试验室墙壁、天花板、喷雾器之间的距离应大于相间距离,且不小于0.15m[见图D2(a)]。对于试验程序A(参见附录D第D9.1条),试验室墙壁与被试设备外壳之间的距离最好不小于1.5m。
此外,需要有一个能按穿透性试验和试验程序B(见附录D第D9.2条)所要求的水滴大小和送给率向试验室喷射盐污的雾化云的方法。
由于某些试验程序中使用的污秽(盐雾)对试验室内的某些器材及其与功能有关的重要部分有潜在危害,这些在用腐蚀性材料进行试验时,建议用聚乙烯薄膜罩将设备罩上,见图D2(b)。

A—试品;B—喷雾装置;C—加热装置
图 D2 人工气候试验室及污秽处理试验的布置
(a)人工气候试验室;(b)污秽处理实验的可能布置
D6.2 控制设备
为了产生20~50℃范围的周期性温度变化,需要控制温度以及能快速地改变温度。控制温度的偏差小于±2℃,保持温差±2℃的公差也是重要的。
对湿度也需要从低于80%到高于95%的相对湿度范围内进行相当好的控制。
为了获得上述这些结果,要求有向人工气候试验室注入蒸汽云的设备,以便同时增加温度和湿度,还要求有注入冷的干燥空气的设备以便进行逆过程。
为了保持整个试验室的状态是均匀一致的,要求采取一些空气循环的措施,还要求有能对试验室进行干燥加热的装置。
D6.3 测量设备
要求提供一个或几个高压电源以便在进行某些试验时能对被试品施加电压,为此电源应能在气候周期性变化过程中保持额定电压,偏差为0~-5%。
为了施加判断试验电压(其值至少达到被试设备额定电压的3倍),要求有短路容量至少1A的电源。这个电源应有保护装置,试品在闪络或击穿放电的情况下,切除试验电源的时间小于0.1s。
如果条件允许,按照本技术条件附录C的规定采取措施对被试单元的每相进行局部放电测量。
如果条件允许,还要采取措施测量被试单元每相的泄漏电流有功分量(R)的有效值。金属封闭式高压开关柜的主回路应连接到电压等于额定电压而一相接地的三相电源上,或者最好是连接到电压等于额定电压的单相电源上,主回路的带电部分相互连接在一起(见本技术条件附录E的规定)。
D7 试验设备的选择和布置
D7.1 设备的选择
试验应该在一个完全装配好的配有其全部元件并与运行状态一致的典型功能单元上进行。被试功能单元及其元件应是新的、干净的。
注:对于各相分装的开关设备允许进行单相单元试验。
D7.2 设备的布置
被试品应装在附录D第D6.1条中所述的人工气候试验室中,并使其处于正常位置。功能单元的试验布置不应比正常运行布置有利,特别是关于外部连接应是如此。
设备的连接,应使得功能单元根据所选择试验程序的要求能以三相电源对其施加额定电压。
考虑到泄漏电流的检测,被试品的接地部分应连接到保护导体上。如果适用,金属封闭式高压开关柜应与地绝缘(见本技术条件附录E的规定)。

(r·h·)—相对湿度
图 D3 穿透性试验·参考性测量·判断程序(设备带电)
D8 穿透性试验
这项试验,是用来检查设备的外壳防止污秽和凝露侵袭的效应,以便能估计被试设备暴露于严酷气候条件下的这种效果。
采取的方法,是将被试设备置于盐雾环境中,承受温度和湿度周期性变化。
用上述方法进行,比较试验前、后在同一条件下的局部放电及泄漏电流,来评价(验证)封闭的绝缘能承受的污秽程度(设计等级)。
D8.1 参考性测量
装于人工气候试验室中的功能单元(参见附录D第D6.1条)应施加额定电压,并按下列规定承受一个气候周期(参看图D3)。
人工气候试验室内的温度应在3h内从(25±3)℃上升到(40±2)℃。温度在(40±2)℃保持2h,然后在1h内降到(25±3)℃。最高温度和最低温度之差应保持在(15±2)℃。然后温度在(25±3)℃保持2h。
温度周期性变化过程中的初始相对湿度为95%并保持4.5h。然后相对湿度在0.5h内降到80%并保持此值2.5h。最后,相对湿度应在0.5h内升高到95%。
注:某些人工气候试验室降低温度至25℃时伴随着有干燥效应,以致此时的湿度降低到规定的80%以下。在这种情况下,应增长周期时间,使湿度在周期结束前上升到规定值。
在整个气候周期中,应对被试单元的每相进行局部放电及泄漏电流的有功分量R有效值进行测量,最好连续进行记录。若无连续记录装置,记录局部放电及泄漏电流的时间间隔应不超过1min。对于循环中的每一分钟,平均值是以该1min的值前面两个值和后面两个值进行平均计算而得。将这些综合平均值描绘成局部放电及泄漏电流随时间变化的曲线。
D8.2 污秽处理
对被试品不施加电压。

图 D4 穿透性试验·污秽处理(设备不带电)
暴露试验室、人工气候试验室或聚乙烯膜室内的温度,根据情况,需在1h内由周围空气温度上升到(40±2)℃,并保持此温度1h。然后切除热源,设备承受来自喷雾装置的盐溶液的喷淋,盐溶液的浓度为5kg/m3。喷雾的流量率应是1m3暴露室容积为0.3L/h至0.5L/h。喷雾1h后停止喷雾。这个穿透性试验周期应重复进行8次(参看图D4)。
D8.3 判断程序
污秽处理后,去掉保护罩(如果有的话),被试功能单元再次带电,然后按附录D第D8.1条的规定再进行6个试验循环。在这些循环的最后一个循环中,按D8.1条的规定测量局部放电量和泄漏电流。
紧接着最后一个气候周期,温度保持在(25±3)℃,相对湿度保持在95%。进行单相工频电压试验:一相施加 的电压,U是设备的额定电压,其余两相接地并连接到设备的保护导体上。电压一直升到设备的额定工频耐受电压(电压上升率为0.5~0.7kV/s),并在此值下保持30s。试验应连续地依次在三相上重复进行,两次试验之间的时间间隔应根据实际情况尽量短。
D8.4 评定
应对穿透性试验开始和结束时的每分钟所测得综合平均值进行比较。计算每一最终测量值与相应的每一起始测量值之比。从而确定出泄漏电流和局部放电量水平的最大比值。
如果局部放电之比值及泄漏电流之比值均未超过2,而且在绝缘试验中未出现闪络或击穿, 则设备就可以定义为2类设计,无需作进一步的试验。
然后,应检查被试品及其组件的功能特性不应受到影响,对试品的外观、防锈涂料、结构连接有无锈蚀、损伤,以及机械零部件腐蚀性程序应予记录(如果有的话)。
注
1 目前提出比值2,但为了验证这个值的有效性,需作进一步研究。
2 如果局部放电量或泄漏电流记录的起始值非常低,则可采用较高的比值。
3 验证机械性能的附加试验由用户同制造厂协商进行。
如果被试品不满足关于局部放电及泄漏电流的上述判据,但绝缘试验中未出现闪络或击穿,则设备可以按照下述规定分类:
a)已通过附录D第D9条规定的1级老化试验后的设备,定义为1类设计;
b)已通过附录D第D10条规定的2级老化试验后的设备,定义为2类设计。
如果在绝缘试验中出现闪络或击穿,则设备被定义为0类设计。
D9 1级老化试验
1级老化试验的目的是验证设备是否满足1类设计的要求。
按照附录D第D7条规定选择被试设备及进行试验准备。
进行老化试验过程中,建议监测泄漏电流以收集关于设备性能的资料。
对于这些老化试验,提出了两个试验程序。在进一步实践期间,认为第二个程序是等价的。
D9.1 试验程序A
功能单元及其元件应该是新的和干净的,绝缘零部件不进行任何表面处理。
功能单元装于人工气候试验室,在两个为期9d的完全相同的试验周期中按下列规定多次反复承受2h湿热循环试验(参见图D5)。

图 D5 1级老化试验·试验程序A(见D9.1条)
人工气候试验室的相对湿度保持在95%以上,其温度在40min内由(30±3)℃上升到(50±2)℃,维持20min。然后温度在40min内下降到(30±3)℃,此时不规定湿度值,随后温度在(30±3)℃保持20min,这整个期间的相对湿度保持在80%以上。此外,高低温度之差应保持在(20±2)℃范围以内。
为了使温度升高,可以直接向人工气候试验室注入蒸汽云(包含悬浮状的细水滴);温度从30℃增加到50℃是由于注入的蒸汽云产生热交换的结果。注入没有蒸汽的干燥空气可以使温度降低。(30±3)℃和(50±2)℃之间的变化调节,可以通过相继地喷入蒸汽云和随后注入冷的干燥空气到试验室中而获得。
9d的试验周期,按照以下规定分配时间:
在头7d,对被试品施加其额定电压,承受84个湿热循环试验。7d试验后,停止试验2d,温度保持在最后一个湿热循环结束时的30℃。去掉蒸汽和冷空气源,停止施加电压,打开功能单元的门。
在中断试验两天的最后数小时,对操作装置和功能单元的门进行机械操作。应对动作时间、触头速度、连锁动作等的变化进行记录。
完成两个9d的试验周期后,应按照附录D第D11.1条规定的判断程序,对被试品的性能进行评定。
D9.2 试验程序B
功能单元的绝缘零部件应采用不损伤绝缘材料性能的合适方法清洗干净(即用温水和磷酸三钠)。
对被试功能单元施加额定电压,并按照以下程序多次反复进行周期为12h的温度—湿度试验循环(参看图D6)。
人工气候试验室或聚乙烯薄膜室的温度,根据情况按约10℃/h温度变化率,从(30±3)℃至(50±2)℃进行周期性变化。此外,高低温之间的温度差应保持在(20±2)℃范围内。
在t1及t3的2h温度过渡期间,不规定相对湿度值,但在t2的2h期间,湿度应在80%以下而温度维持在(50±2)℃。在t4的6h期间,湿度在95%以上而温度维持在(30±3)℃。
采用连续喷盐水溶液雾和加热的方法,获得温度和湿度的变化。盐水溶液由每立方米不含矿物的水加入0.176kg盐(氯化钠)获得。合成湿度应是这样,即在试验室收集到的水的电阻率在20℃时应近似等于30Ωm。喷盐溶液雾的流量率应是每立方米试验室容积0.3~0.5l/h。雾滴的直径应在5~10μm范围内。
注:根据试验室的设备,时间t1和t3可能不得不缩短,但此时时间t2和t4应增长,以保持t1-t2+t3+t4等于常数。

图 D6 1级老化试验·试验程序B(见第D9.2条)
被试功能单元应承受10个相同的温度——湿度循环。完成这10个循环后,应按照附录D第D11.2条所规定的判断程序对被试设备的性能进行评定。
D10 2级老化试验
2级老化试验的目的是验证设备是否满足2类设计的要求。
2级老化试验按照程序A或程序B组成更多的气候循环试验。
按程序A.总的试验持续时间是由5个周期为9d的相同的试验循环组成,接着就是进行附录D第D11.1条中规定的判断程序。
按程序B,总的试验持续时间是由20个相同的温度—湿度循环组成,接着进行附录D第D11.2条中规定的判断程序。
注:对于按照程序A已成功地通过1级老化试验的设备,允许立即继续进行3个周期为9d的相同的试验循环。然后,1级老化试验后进行判断程序之前,试验程序B要求进行清理,按照刚才叙述的程序A方式继续进行试验是不可能的。
D11 老化试验后的判断程序
老化试验结束后,被试品应按照下列规定进行绝缘试验。
D11.1 试验程序A后
被试品首先承受1min额定工频干耐受电压试验
然后,人工气候试验室的温度增高到(30±2)℃,相对湿度近似到95%。在试品不施加电压条件下经3h后,进行以下绝缘试验(参看图D7)。

图 D7 按照程序A或B老化试验后工频湿耐压试验
对一相施加 的电压(U是设备的额定电压),其他两相接地并且连接到设备的保护导体上。1h后,电压升到 且保持30s(电压上升率为0.5~0.7kV/s之间),应连续依次地在其他两相上重复此试验,试验间隔应尽可能短。
D11.2 试验程序B后
整个被试品用不含矿物的水清洗净,然后在试验室不施加电压干燥20h,此时试验室温度为20±2℃,相对湿度小于80%。
按照附录D第D11.1条中规定的条件,被试品应承受工频干、湿耐受电压试验。
D11.3 评定
如果满足下列条件,则被试品通过了1类设计或2类设计所规定的老化试验:
a)按照程序A或程序B进行人工气候试验循环中未出现电击穿或闪络;
b)在判断程序中未出现击穿或闪络;
c)试品的功能特性即动作时间、触头速度、连锁动作等无明显变化。同时外观、防锈涂料、结构连接有无锈蚀、损伤,机械零部件的腐蚀程度(如果有的话)应记录在试验报告中。
附 录 E
(标准的附录)
泄漏电流的测量
在相间及相对地间具有大的电容的设备中,泄漏电流的无功分量可能有很大的幅值。而在与绝缘的体积电导及表面电导有关的泄漏电流幅值中,仅泄漏电流的有功部分是有用的,因此要求一种仅测量泄漏电流有功部分的方法。
试验回路内测量装置的布置对于泄漏电流有效值的测量是关键。图E1至图E4表示了4种布置方式,表E1概述了它们的特点。
表 E1 泄 漏 电 流 测 量
|
|
布置方式1
(见图E1) |
布置方式2
(见图E2) |
布置方式3
(见图E3) |
布置方式4
(见图E4) |
|
电压负荷与
运行的相同 |
是 |
非 |
非 |
是 |
|
适于老化试验时监测 |
非 |
非 |
非 |
是 |
|
适用于判断程序 |
非 |
是 |
是 |
是 |
|
相间电压负荷 |
是 |
是 |
是 |
是 |
|
指示相间电流 |
非 |
非 |
非 |
是 |
|
测量装置与支持
绝缘子并联 |
是 |
是 |
是 |
非 |

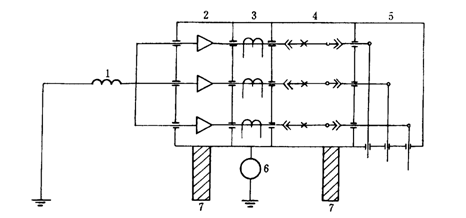
1—电源变压器;2—电缆盒;3—电流互感器;4—断路器(已合闸);
5—主回路母线汇流排;6—测量装置;7—支柱绝缘子
图 E1 泄漏电流测量:布置方式1

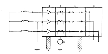
1—电源变压器;2—电缆盒;3—电流互感器;4—断路器(已合闸);
5—主回路母线汇流排;6—测量装置;7—支柱绝缘子
图 E2 泄漏电流测量:布置方式2

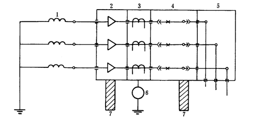
1—电源变压器;2—电缆盒;3—电流互感器;4—断路器(已合闸);
5—主回路母线汇流排;6—测量装置;7—支柱绝缘子
图 E3 泄漏电流测量:布置方式3

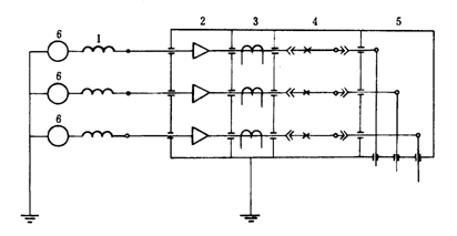
1—电源变压器;2—电缆盒;3—电流互感器;4—断路
器(已合闸);5—主回路母线汇流排;6—测量装置
图 E4 泄漏电流测量:布置方式4
|