|

一、概述
我公司利用液体电阻技术,专为改善大中型绕线式异步电动机的起动性能而研制的新一代软启动器;它是通过在电机转子回路中串入液体电阻,自动无极调整该电阻使其由大变小最后为零,实现电机降压无冲击地平滑起动。
高压水阻软启动器克服了电抗器及频敏电阻传统起动器的起动电流大、操作不方便、不能连续起动等诸多不足,彻底解决了大中型电机起动难的问题,其卓越的起动性能受到广大用户的普遍好评。高压水阻软启动器已作为起动器的最新换代产品在全国二千多家企业使用实现电机降压无冲击地平滑起动。
该型号软启动柜适用范围
适用于三相交流3KV、6KV、10KV,额定功率到20000KW的绕线式异步电动机的重载平滑软启动。
二、型号说明

三、技术特点
1、该型号软启动柜起动电流小,平滑无冲击,保证电网可靠运行;
2、起动电流小于额定电流的1.3倍
3、该软启动柜可连续起动10~20次;
4、该软启动柜特别适用于重载起动;
5、软启动柜起动电机时对电网影响小,无谐波污染,特别适用于电网容量不足的企业 ;
6、软启动柜起动平稳,有效保护电动机及传动机械;
7、软启动柜结构简单,安装维护方便,可靠性高。
四、技术参数
|
产品规格 |
适用电机功率 |
起动时间 (S) |
起动温升 (℃/次) |
|
功率(KW) |
额定电压(KV) |
|
ZYQR-0.2 |
200 |
3,6,10 |
10-40 |
≤10 |
|
ZYQR-0.4 |
400 |
3,6,10 |
10-40 |
≤10 |
|
ZYQR-0.6 |
600 |
3,6,10 |
20-40 |
≤10 |
|
ZYQR-1.0 |
1000 |
3,6,10 |
20-40 |
≤10 |
|
ZYQR-2.0 |
2000 |
3,6,10 |
20-40 |
≤10 |
|
ZYQR-3.0 |
3000 |
3,6,10 |
20-60 |
≤10 |
|
ZYQR-4.0 |
4000 |
3,6,10 |
20-60 |
≤10 |
|
ZYQR-5.0 |
5000 |
3,6,10 |
20-60 |
≤10 |
|
ZYQR-6.0 |
6000 |
3,6,10 |
20-60 |
≤10 |
|
ZYQR-8.0 |
8000 |
3,6,10 |
20-60 |
≤10 |
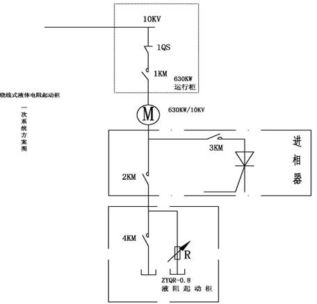
五、一次系统图

六、 高压水阻软启动器正常使用环境条件
1、环境温度上限不超过50℃,下限不低于-5℃;
2、相对温度不超过85%;
3、海拔高度:不超过2000M;
4、软启动柜应安装在无剧烈振动及冲击、无导电尘埃及腐蚀性气体且没有火灾及爆炸危险的场合;
5、地面垂直倾斜度:不超过5度;
6、高压水阻软启动器电源采用三相四线380V/220V 20A,且电压波动必须保证在额定电压的±15%范围内。
注:环境温度长期低于0℃时需加装加热器,用户订货时应予说明。
七、订货须知
订货时请提供下列资料:
1、提供电机型号、额定功率、定子电流、定子电压、转子电流、转子电压;
2、高压水阻软启动器拖动电机负载设备类型、工况及相关参数;
3、若已有定子回路可单台提供软启动柜,若没有,我司可一起配套给客户;
4、高压水阻软启动器表面颜色
5、对软启动柜若有其它特殊要求(如增加防护等级、使用环境比较特殊,可与我公司协商订货并在合同中注明)
|